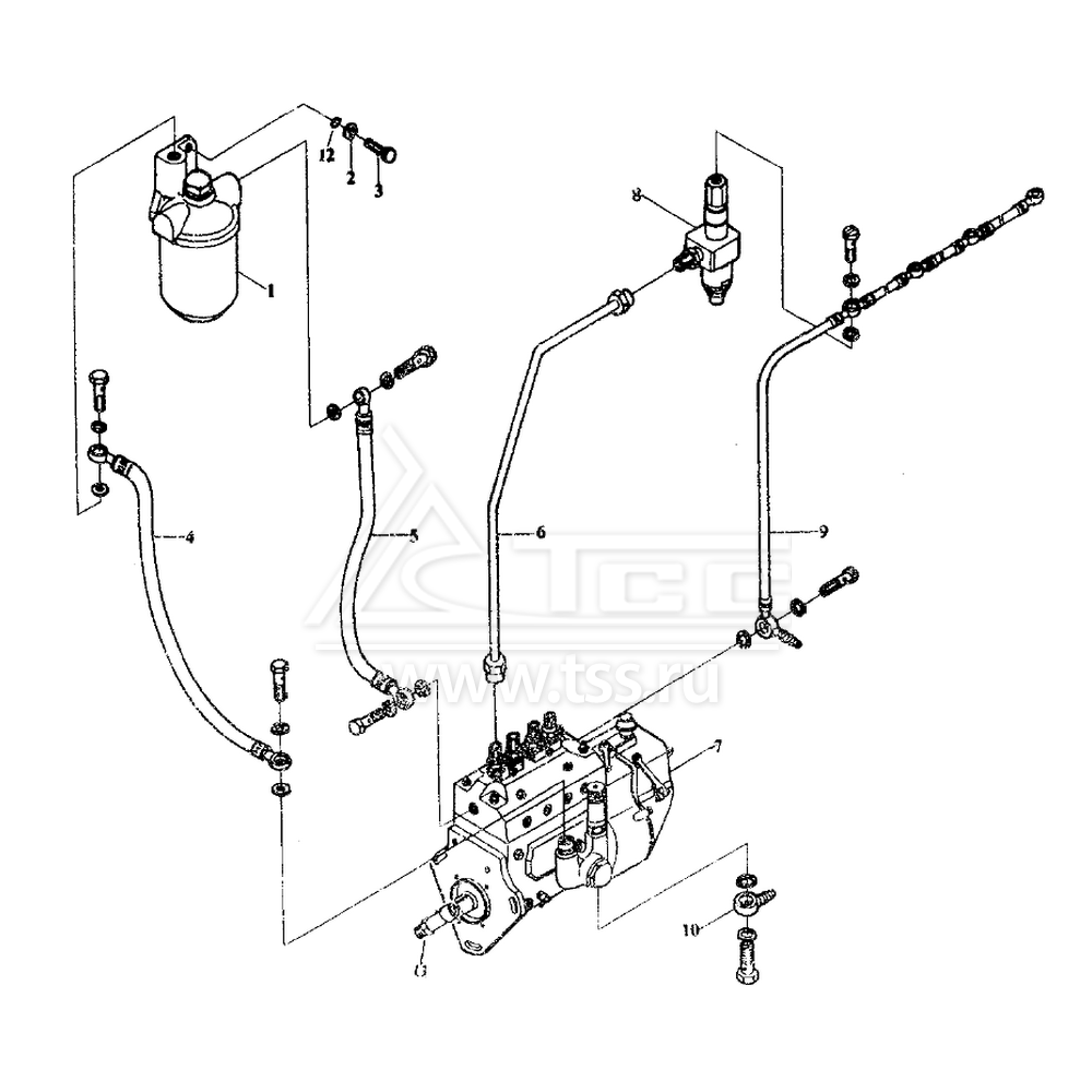
Топливная система Yangdong YND485D

Топливная система Yangdong YND485D

№ поз.

Номер.

Description

Наименование

К-во

Примечание

1

Y480G-10500

Fuel filter assy

Фильтр топливный в сборе

2

 

2

GB848-85

Washer

Шайба

1

 

3

GB/T5783-2000

Bolt

Болт

1

 

4

Y480G-10700

Line from feed pump to filter

Шланг от топливного подкачивающего насоса к топливному фильтру

1

 

5

Y480G-10600

Line from filter to injection pump

Шланг от топливного фильтра к топливному насосу высокого давления

1

 

6

YND485Q-10200

Fuel injection pipe

Трубки высокого давления (комплект)

4

 

7

YND485Q-10100

Injection pump assy

Насос топливный высокого давления в сборе

1

 

8

YND485Q-10300

Injection parts

Форсунка топливная

4

 

9

Y480G-10400

Fuel return pipe

Трубка дренажная

1

 

10

Y480G-10001

Feed pump fitting

Штуцер подвода топлива к подкачивающему насосу

1

 

11

YND485Q-10002

Rear nut of cum sheft of injection pump

Гайка вала топливного насоса высокого давления

1

 

12

GB93-87

Washer

Шайба

1

 

×

Оставить заявку

Защита от автоматических сообщений

Введите слово на картинке *

Заявка на ремонт оборудования

выбрать файл файл не выбран
выбрать файл файл не выбран
выбрать файл файл не выбран
Оставаясь на сайте, вы соглашаетесь на использование файлов куки и передачей данных службам веб-аналитики
Принять