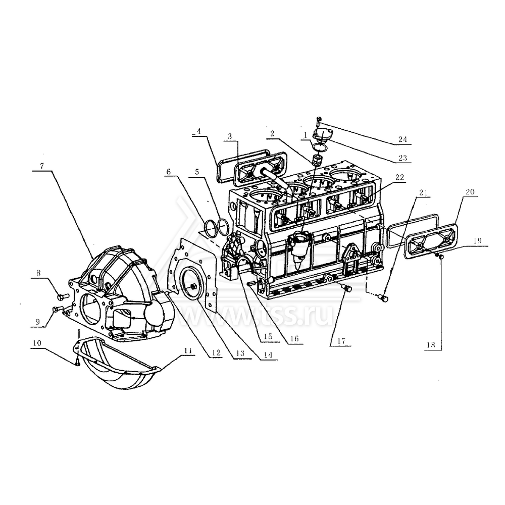
Блок цилиндров (вид сзади-справа) Yangdong Y4100D/Y4102D

Блок цилиндров (вид сзади-справа) Yangdong Y4100D/Y4102D

№ поз.

Номер.

Description

Наименование

К-во

Примечание

1

Y4100Q-09004

Gasket

Прокладка крышки вала шестерни привода масляного насоса

1

 

2

Y4100Q-01023

Bush, oil pump drive gear shaft

Втулка вала шестерни привода масляного насоса

1

 

3

Y4100Q-01200

Side cover with breather assy, rear

Крышка боковая задняя с устройством вентиляции картера

1

 

4

Y4100Q-01014

Gasket, side cover

Прокладка боковой крышки

2

 

5

GB3452.1-92

O-ring

Кольцо уплотнительное круглого сечения

1

 

6

Y4100Q-01101

Plug

Пробка отверстия распределительного вала

1

 

7

Y4100Q-16001

Clutch housing

Картер маховика

1

 

8

GB21-76

Bolt

Болт

8

 

9

GB21-76

Bolt

Болт

1

 

10

GB21-76

Bolt

Болт

5

 

11

Y4100Q-16002

Lower cover, clutch housing

Крышка нижняя картера маховика

1

 

12

GB898-88

Stud

Шпилька

4

 

13

GB9877.1-88

Seal felt rear

Задний сальник коленчатого вала войлочный

1

 

14

Y4100Q-01009

Gasket, clutch housing

Прокладка картера маховика

1

 

15

YSD490Q-01105а

Plug

Пробка

1

 

16

GB119-86

Dowel pin

Штифт направляющий

2

 

17

GB3541-83

Bolt

Болт

3

 

18

GB923-88

Cup nut

Гайка колпачковая

4

 

19

JB982-77

Washer

Шайба

8

 

20

Y4100Q-01013

Side cover, front

Крышка боковая передняя

1

 

21

GB3541-83

Bolt

Болт

3

 

22

GB898-88

Stud

Шпилька

4

 

23

Y4100Q-09005

Cover

Крышка вала шестерни привода масляного насоса

1

 

24

GB21-76

Bolt

Болт

2

 

×

Оставить заявку

Защита от автоматических сообщений

Введите слово на картинке *

Заявка на ремонт оборудования

выбрать файл файл не выбран
выбрать файл файл не выбран
выбрать файл файл не выбран
Оставаясь на сайте, вы соглашаетесь на использование файлов куки и передачей данных службам веб-аналитики
Принять