Блок цилиндров (вид спереди-слева) Yangdong Y4100D/Y4102D

Блок цилиндров (вид спереди-слева) Yangdong Y4100D/Y4102D

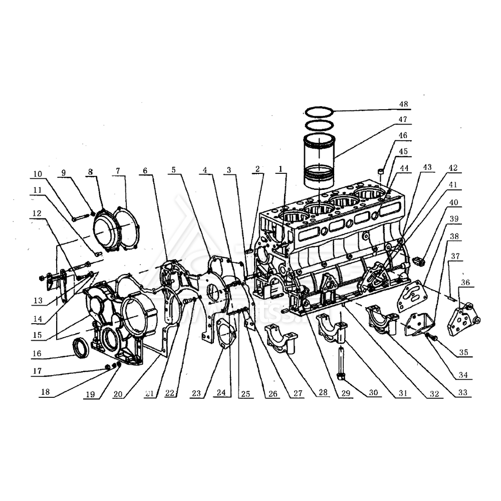
№ поз.

Номер.

Description

Наименование

К-во

Примечание

1

GB898-76

Stud

Шпилька

4

 

2

GB119-86

Dowel pin

Штифт направляющий

2

 

3

GB898-76

Stud

Шпилька

5

 

4

Y4100Q-01011

Jet

Форсунка масляная

1

 

5

Y4100Q-01001

Gasket, gear case to block

Прокладка корпуса шестерен

1

 

6

Y4100Q-02001

Gear case

Корпус шестерен

1

 

7

Y4100Q-02016

Gasket, fuel injection pump gear cover

Прокладка крышки шестерни привода топливного насоса высокого давления

1

 

8

Y4100Q-02017

Cover, fuel injection pump gear

Крышка шестерни привода топливного насоса высокого давления

1

 

9

GB97-76

Washer

Шайба

3

 

10

GB21-76

Bolt

Болт

3

 

11

GB5782-86

Bolt

Болт

2

 

12

GB21-76

Bolt

Болт

3

 

13

GB93-87

Spring washer

Шайба пружинная

8

 

14

GB97-76

Washer

Шайба

8

 

15

Y4100Q-02013

Cover, gear case

Крышка корпуса шестерен

1

 

16

HG4-692-67

Oil seal

Сальник коленвала передний

1

 

17

GB6170-86

Hexagon nut

Гайка шестигранная

5

 

18

GB93-87

Spring washer

Шайба пружинная

5

 

19

GB97-76

Washer

Шайба

5

 

20

Y4100Q-02014

Gasket, gear case cover

Прокладка крышки корпуса шестерен

1

 

21

GB5783-86

Bolt

Болт

3

 

22

GB93-87

Spring washer

Шайба пружинная

3

 

23

Y4100Q-02002

Gasket, fuel injection pump

Прокладка фланца топливного насоса высокого давления

1

 

24

GB897-88

Stud

Шпилька

3

 

25

GB93-87

Spring washer

Шайба пружинная

1

 

26

GB97-76

Washer

Шайба

3

 

27

GB6170-86

Nut

Гайка

17

 

28

Y4100Q-01112

Main bearing cap, front

Крышка коренного подшипника коленчатого вала передняя

1

 

29

Y4100Q-01101

Plug

Пробка

1

 

30

Y4100Q-01115

Stud, main bearing cap

Шпилька крышки коренного подшипника коленчатого вала

10

 

31

Y4100Q-01113

Main bearing cap middle

Крышка коренного подшипника коленчатого вала средняя

3

 

32

GB898-88

Stud

Шпилька

2

 

33

Y4100Q-01114

Main bearing cap rear

Крышка коренного подшипника коленчатого вала задняя

1

 

34

GB93-87

Spring washer

Шайба пружинная

29

 

35

GB21-76

Bolt

Болт

3

 

36

Y4100Q-09001

Connecting plate, oil filter

Пластина установочная масляного фильтра

1

 

37

GB898-88

Stud

Шпилька

3

 

38

Y4100Q-01012

Front engine bracket, right

Опора двигателя передняя правая

1

 

39

Y4100Q-01004

Gasket, oil filter connecting plate

Прокладка установочной пластины масляного фильтра

1

 

40

YS1A480Q-5-01500

Adapter, oil pressure transducer and alarmer

Штуцер датчика давления масла

1

 

41

GB898-88

Stud

Шпилька

2

 

42

GB898-88

Stud

Шпилька

2

 

43

Y4100Q-01103

Plug

Пробка

6

 

44

Y480G-01104

Plug

Пробка

4

 

45

Y4100Q-01111

Cylinder block

Блок цилиндров

1

 

46

Y4100Q-01102

Dowel bush

Втулка направляющая

2

 

47

Y4100Q-01003

Cylinder liner

Гильза цилиндра

4

 

48

Y4100Q-01010

Seal ring, cylinder liner

Кольцо уплотнительное гильзы цилиндра

8

 

×

Оставить заявку

Защита от автоматических сообщений

Введите слово на картинке *

Заявка на ремонт оборудования

выбрать файл файл не выбран
выбрать файл файл не выбран
выбрать файл файл не выбран
Оставаясь на сайте, вы соглашаетесь на использование файлов куки и передачей данных службам веб-аналитики
Принять