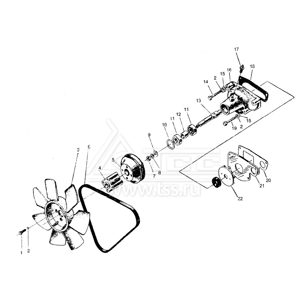
Водяной насос и вентилятор TSS Diesel TDY 19 4L

Водяной насос и вентилятор TSS Diesel TDY 19 4L

№ поз.

Номер.

Description

Наименование

К-во

Примечание

1

GB5782-86

Bolt

Болт

4

 

2

GB93-87

Spring washer

Шайба пружинная

8

 

3

YSD490Q-11003

Fan

Крыльчатка вентилятора

1

 

4

YSD490Q-11001

Spacer

Проставка вентилятора

1

 

5

YSD490Q-11112

Pulley

Шкив вентилятора

1

 

6

HC4-401-74

V-belt 15x9x1000

Ремень приводной клинообразный

1

 

7

GB6170-86

Nut

Гайка

1

 

8

GB7244-87

Spring washer

Шайба пружинная

1

 

9

YSD490Q-11101

Washer

Шайба прижимная

1

 

10

GB893.1-86

Retainer

Кольцо стопорное

1

 

11

GB/T276-94

Ball bearing

Шарикоподшипник

2

 

12

YSD490Q-11104

Bearing space sleeve

Втулка проставочная

1

 

13

YSD490Q-11106

Pump shaft

Вал водяного насоса

1

 

14

GB5783-86

Bolt

Болт

1

 

15

GB848-85

Washer

Шайба

4

 

16

YSD490Q-11103

Pump housing

Корпус водяного насоса

1

 

17

GB1152-79

Grease cup

Масленка

1

 

18

YSD490Q-11107

Gasket

Прокладка корпуса водяного насоса

1

Регулировка зазора крыльчатки водяного насоса

19

GB5783-86

Bolt

Болт

3

 

20

YSD490Q-11022

Gasket

Прокладка водяного насоса

1

 

21

YSD490Q-11108

Lining plate

Основание водяного насоса

1

 

22

YSD490Q-11105а

Pump impeller

Крыльчатка водяного насоса

1

 

×

Оставить заявку

Защита от автоматических сообщений

Введите слово на картинке *

Заявка на ремонт оборудования

выбрать файл файл не выбран
выбрать файл файл не выбран
выбрать файл файл не выбран
Оставаясь на сайте, вы соглашаетесь на использование файлов куки и передачей данных службам веб-аналитики
Принять