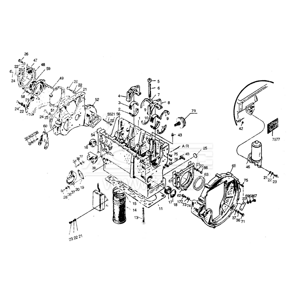
Блок цилиндров TSS Diesel TDY 19 4L

Блок цилиндров TSS Diesel TDY 19 4L

№ поз.

Номер.

Description

Наименование

К-во

Примечание

1

YSD490Q-01111C

Cylinder block

Блок цилиндров

1

 

2

YSD490Q-01015

Main bearing, upper half

Вкладыш коренного подшипника коленчатого вала верхний

5

 

3

YSD490Q-01016

Main bearing, lower half

Вкладыш коренного подшипника коленчатого вала нижний

5

 

4

YSD490Q-01112

Main bearing cap

Крышка коренного подшипника коленчатого вала

4

 

6

YSD490Q-01114

Main bearing stud

Шпилька крышки коренного подшипника коленчатого вала

10

 

7

YSD490Q-01115

Main bearing stud lock washer

Шайба контровочная шпильки крышки коренного подшипника коленчатого вала

10

 

8

YSD490Q-01113

Rear  main bearing cap

Крышка коренного подшипника задняя

1

 

9

YSD490Q-01008

Crankshaft thrust bearing, lower part

Полукольцо упорного подшипника коленчатого вала нижнее

2

 

10

YSD490Q-01007

Crankshaft thrust bearing, upper part

Полукольцо упорного подшипника коленчатого вала верхнее

2

 

11

YSD490Q-01020а

Cylinder head gasket

Прокладка головки цилиндров

1

 

13

YSD490Q-01004

Long cylinder head stud

Шпилька головки цилиндров длинная

14

 

YSD490Q-01005

Short cylinder head stud

Шпилька головки цилиндров короткая

4

 

14

YSD490Q-01003

Cylinder liner

Гильза цилиндра

4

 

15

YSD490Q-01002

Water seal

Кольцо уплотнительное гильзы цилиндра

12

 

16

YSD490Q-01023

Front camshaft bush

Втулка распределительного вала передняя

1

 

YSD490Q-01024

Middle camshaft bush

Втулка распределительного вала средняя

1

 

17

YSD490Q-01025b

Rear camshaft bush

Втулка распределительного вала задняя

1

 

18

YSD490Q-01103

Plug

Пробка

1

 

19

YSD490Q-01011

Inlet pipe gasket

Прокладка входного патрубка системы охлаждения

1

 

20

YSD490Q-01013

Inlet pipe

Патрубок входной системы охлаждения

1

 

21

GB848-85

Washer

Шайба

52

 

22

GB93-87

Spring washer

Шайба пружинная

52

 

23

GB5783-86

Bolt

Болт

7

 

24

GB5783-86

Bolt

Болт

14

 

25

Y480G-01104

Plug

Пробка

7

 

26

GB5783-86

Bolt

Болт

5

 

27

GB898-88

Bolt

Болт

2

 

28

YSD490Q-01200a

Breathing filter

Фильтр системы вентиляции картера

1

 

36

GB93-87

Spring washer

Шайба пружинная

8

 

37

GB848-85

Шайба

Шайба

8

 

38

GB5783-86

Bolt

Болт

8

 

39

YSD490Q-01017

Front mounting bracket

Опора двигателя передняя

2

 

40

Y485Q-16-1300

Drain cock

Кран сливной

1

 

41

YSD490Q-01014a

Union pipe

Штуцер

1

 

42

YSD490Q-01105a

Screw plug (I)

Пробка резьбовая (I)

2

 

43

Y480G-01106a

Screw plug (II)

Пробка резьбовая (II)

5

 

44

YSD490Q-01101

Plug

Пробка

1

 

46

YSD490Q-01004

Oil filter gasket

Прокладка масляного фильтра

1

 

47

YSD490Q-02017

Front cover

Крышка переднего сальника коленчатого вала

1

 

48

YSD490Q-02016

Front cover gasket

Прокладка крышки переднего сальника коленчатого вала

1

 

49

YSD490Q-02013а

Cover of timing gear case

Крышка корпуса шестерен

1

 

51

YSD490Q-02014

Cover gasket of timing gear case

Прокладка крышки корпуса шестерен

1

 

52

YSD490Q-02001

Timing gear casing

Корпус шестерен

1

 

54

YSD490Q-01001

Timing gear case gasket

Прокладка корпуса шестерен

1

 

55

GB898-88

Stud

Шпилька

3

 

56

GB6170-86

Nut

Гайка

3

 

58

YSD490Q-02015

Pointer

Указатель угла поворота коленчатого вала

1

 

59

HG4-692-67

Oil seal

Сальник коленчатого вала передний

1

 

60

YSD490Q-12006

Generator bracket

Кронштейн зарядного генератора

1

 

61

YSD490Q-01009a

Rear oil seal cover gasket

Прокладка крышки заднего сальника коленчатого вала

1

 

62

YSD490Q-01012a

Rear oil seal cover

Крышка заднего сальника коленчатого вала

1

 

63

HG4-692-67

Oil seal

Сальник коленчатого вала задний

1

 

65

YSD490Q-01010a

Flywheel housing

Картер маховика

1

 

66

GB5783-86

Bolt

Болт

5

 

67

GB818-85

Bolt

Болт

2

 

68

GB93-87

Spring washer

Шайба пружинная

2

 

69

GB97.1-85

Washer

Шайба

2

 

70

YSD490Q-01019

Inspection cover

Крышка смотрового окна

1

 

71

GB5783-86

Bolt

Болт

6

 

72

GB5783-86

Bolt

Болт

2

 

73

GB93-87

Spring washer

Шайба пружинная

2

 

74

GB848-85

Washer

Шайба

2

 

75

GB119-86

Pin

Штифт

3

 

76

Y480G-01500

Sensor for oil gauge

Датчик давления масла

1

 

77

GB6170-86

Nut

Гайка

2

 

×

Оставить заявку

Защита от автоматических сообщений

Введите слово на картинке *

Заявка на ремонт оборудования

выбрать файл файл не выбран
выбрать файл файл не выбран
выбрать файл файл не выбран
Оставаясь на сайте, вы соглашаетесь на использование файлов куки и передачей данных службам веб-аналитики
Принять