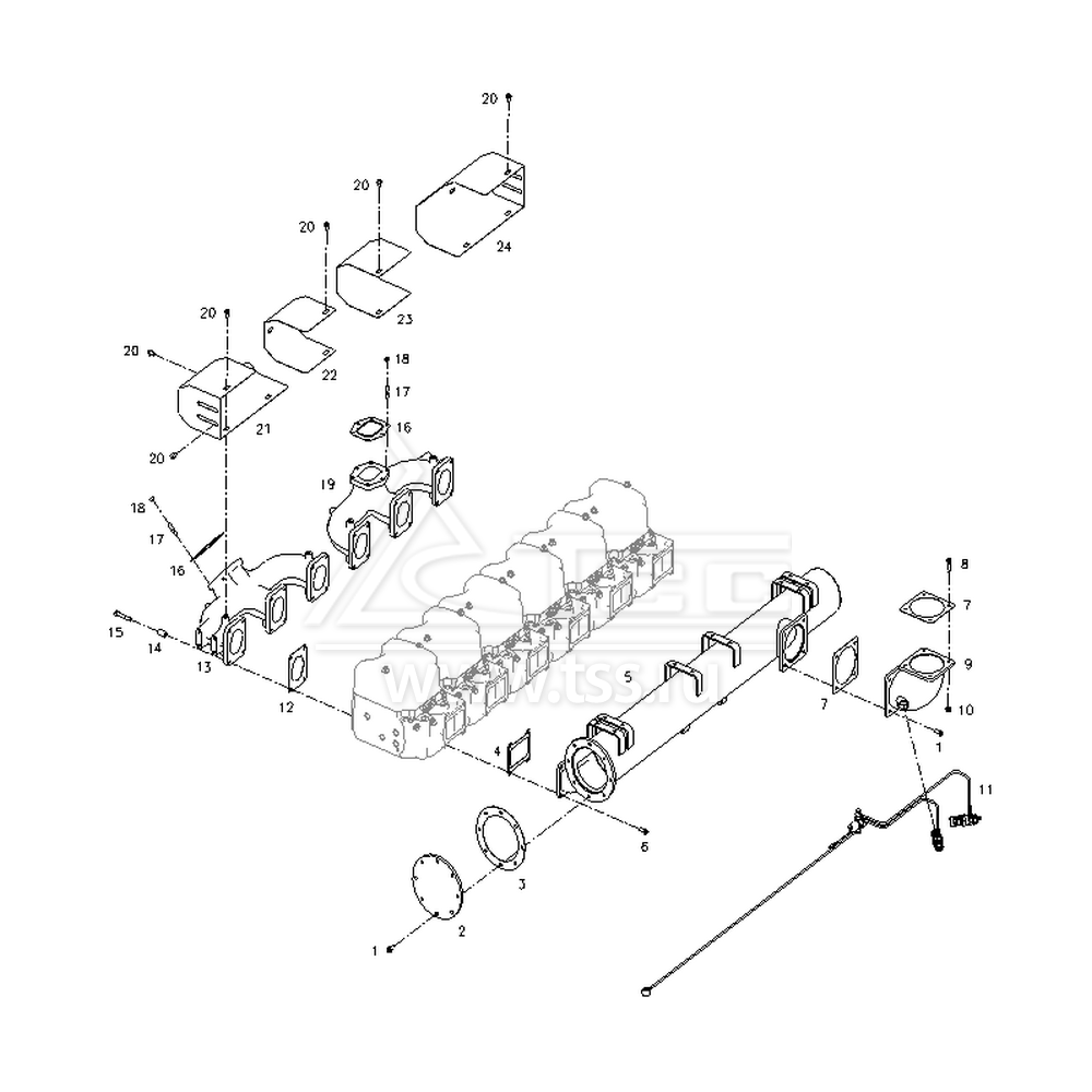
Впускной и выпускной коллекторы TSS Diesel TDS782-6TE

Впускной и выпускной коллекторы TSS Diesel TDS782-6TE

№ поз.

Номер

Description

Наименование

К-во

Примечание

1

B00002000

HEXAGON BOLTS WITH FLANGE

Болт с шестигранной головкой с фланцем

12

2

W12A-116-06

COVER, AIR  INTAKE PIPE

Заглушка торцевая впускного коллектора

1

3

W12A-113-06

GASKET,  AIR INTAKE PIPE

Прокладка торцевой заглушки впускного коллектора

1

4

W04A-121-01

GASKET, AIR INTAKE PIPE

Прокладка впускного коллектора

6

5

W12A-001-07

AIR INTAKE  PIPE ASSY

Коллектор впускной

1

6

B00001999

HEXAGON BOLTS WITH FLANGE

Болт с шестигранной головкой с фланцем

24

7

W12A-111-06

GASKET,  AIR INTAKE PIPE

Прокладка патрубка впускного коллектора

2

8

B00002006

HEXAGON BOLTS WITH FLANGE

Болт с шестигранной головкой с фланцем

4

9

S00022855

AIR INTAKE PIPE ELBOW

Патрубок коленчатый впускного коллектора

1

10

B00000834

HEXAGON NUTS WITH FLANGE

Гайка шестигранная с фланцем

4

11

S00023036

FLAME HEATER GROUP

Подогреватель факельный (комплект)

1

12

W04A-124-01

GASKET, EXHAUST MANIFOLD

Прокладка выпускного коллектора

6

13

W13A-102-03

EXHAUST MANIFOLD

Коллектор выпускной задний

1

14

W04A-128-01

SPACER

Втулка проставочная

24

15

D04-145-30A

BOLT EXHAUST MANIFOLD

Болт выпускного коллектора

24

16

W13A-103-03

GASKET, INLET-TURBINE

Прокладка турбокомпрессора

2

17

S00001481

STUD

Шпилька

12

18

D13-304-01

NUT, FLANGE-TURBOCHARGER

Гайка с фланцем крепления турбокомпрессора

12

19

W13A-101-03

EXHAUST MANIFOLD

Коллектор выпускной передний

1

20

B00001994

HEXAGON BOLTS WITH FLANGE

Болт с шестигранной головкой с фланцем

18

21

W13C-104-03

HEAT SHIELD, EXHAUST MANIFOLD

Кожух термозащитный 4 выпускного коллектора

1

22

S00023624

HEAT SHIELD, EXHAUST MANIFOLD

Кожух термозащитный 3 выпускного коллектора

1

23

S00023622

HEAT SHIELD, EXHAUST MANIFOLD

Кожух термозащитный 2 выпускного коллектора

1

24

W13C-103-03

HEAT SHIELD, EXHAUST MANIFOLD

Кожух термозащитный 1 выпускного коллектора

1

×

Оставить заявку

Защита от автоматических сообщений

Введите слово на картинке *

Заявка на ремонт оборудования

выбрать файл файл не выбран
выбрать файл файл не выбран
выбрать файл файл не выбран
Отзыв согласия на обработку персональных данных

ФИО*

E-mail*

Телефон

Текст отзыва

Оставаясь на сайте, вы соглашаетесь на использование файлов куки и передачей данных службам веб-аналитики
Принять