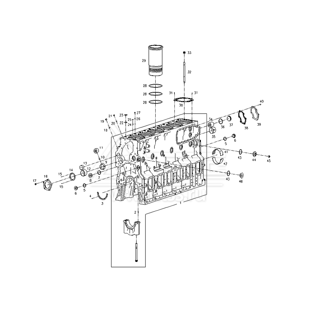
Блок цилиндров TSS Diesel TDS782-6TE

Блок цилиндров TSS Diesel TDS782-6TE

№ поз.

Номер

Description

Наименование

К-во

Примечание

1

W02A-001-01

CYLINDER BLOCK ASSY (MACHINED)

Блок цилиндров

1

2

G02-134-01

DOWEL PIN

Штифт направляющий

1

3

W02A-118-01

THRUST BEARING, CRANKSHAFT

Полукольцо упорного полшипника коленчатого вала

4

4

B00000118

PARALLEL PINS

Штифт центрирующий

4

5

W02A-140-01

WASHER

Шайба

2

6

B00001712

HEXAGONAL SOCKET HEAD PLUG

Заглушка с внутренним шестигранником

2

7

W02A-139-01

WASHER

Шайба

1

8

B00004185

HEXAGONAL SOCKET HEAD PLUG

Заглушка с внутренним шестигранником

1

9

W02A-113-01

INTERMEDIATE MAIN BEARING HOUSING,CAMSHAFT

Втулка расппределительного вала

5

10

W02A-127-01

DOWEL PIN

Штифт направляющий

5

11

W02A-126-01

SEAT INSERT, ROLLER SHAFT

Ролик вала коромысел толкателей клапанов

5

12

W02A-112-01

REAR BEARING, CAMSHAFT

Втулка расппределительного вала задняя

1

13

W02A-124-01

REAR HOUSING, ROLLER SHAFT

Ролик задний вала коромысел толкателей клапанов

1

14

W02A-138-01

THRUST PLATE,CAMSHAFT

Упорный подшипник распределительного вала

1

15

B00004158

PARALLEL PINS

Штифт центрирующий

2

16

W02A-130-01

THRUST PLATE, CAMSHAFT

Диск прижимной упорного подшипника распределительного вала

1

17

B00002054

HEXAGON BOLTS WITH FLANGE

Болт с шестигранной головкой с фланцем

17

18

B00001835

COPPER WASHER

Шайба медная

2

19

B00001706

HEXAGONAL SOCKET HEAD PLUG

Пробка с внутренним шестигранником

2

20

B00001827

COPPER WASHER

Шайба медная

5

21

B00001704

HEXAGONAL SOCKET HEAD PLUG

Пробка с внутренним шестигранником

5

22

W02A-151-02

GUIDE SLEEVE, TAPPET HOLE

Втулка направляющая штанги толкателя

12

23

W02A-153-02

SEALING RING, TAPPET HOLE

Кольцо уплотнительное

12

24

W02A-151-01

OIL PIPE

Трубка масляная

6

25

W02A-154-01

RUBBER RING, TAPPET HOLE

Компенсатор резиновый

6

26

B00001818

COPPER WASHER

Шайба медная

1

27

B00004610

HEXAGON COUNTERSUNK PLUG SCREW

Пробка потайная

1

28

W02A-117-01

SEAL, CYLINDER LINER

Кольцо уплотнительное гильзы цилиндра

18

29

W02A-102-01

CYLINDER LINER

Гильза цилиндра

6

30

W02A-107-01

GASKET, CYLINDER HEAD

Прокладка головки цилиндра

6

31

B00000121

PARALLEL PINS

Штифт центрирующий

12

32

W02A-108-01

BOLT, CYLINDER HEAD

Шпилька головки цилиндра

48

33

W02A-109-01

NUT, CYLINDER HEAD

Гайка головки цилиндра

48

34

W02A-125-01

FRONT HOUSING, ROLLER SHAFT

Ролик передний вала коромысел толкателей клапанов

1

35

W02A-111-01

FRONT BEARING, CAMSHAFT

Втулка распределительного вала передняя

1

36

W02A-131-01

COPPER WASHER, ROLLER SHAFT PLUG

Шайба медная передней заглушки вала коромысел толкателей клапанов

1

37

W02A-129-01

PLUG, ROLLER SHAFT

Заглушка передняя вала коромысел толкателей клапанов

1

38

W02A-150-01

GASKET, CAMSHAFT BORE FRONT COVER

Прокладка крышки распределительного вала и вала коромысел толкателей клапанов

1

39

W02A-149-01

FRONT COVER, CAMSHAFT BORE

Крышка передняя распределительного вала и вала коромысел толкателей клапанов

1

40

B00002134

HEXAGON BOLTS WITH FLANGE

Болт с шестигранной головкой с фланцем

6

41

S00010180

MAIN BEARING, UPPER

Вкладыш коренного подшипника коленчатого вала верхний

7

42

S00010280

MAIN BEARING, LOWER

Вкладыш коренного подшипника коленчатого вала нижний

7

43

W02A-116-01

WASHER, WATER INLET PLUG

Шайба уплотнительная

6

44

W02A-115-02

CONNECTOR

Штуцер

1

45

B00001699

HEXAGON COUNTERSUNK CONE PLUG SCREW

Пробка потайная

1

46

W02A-115-01

PLUG, WATER INLET

Пробка резьбовая

5

×

Оставить заявку

Защита от автоматических сообщений

Введите слово на картинке *

Заявка на ремонт оборудования

выбрать файл файл не выбран
выбрать файл файл не выбран
выбрать файл файл не выбран
Оставаясь на сайте, вы соглашаетесь на использование файлов куки и передачей данных службам веб-аналитики
Принять