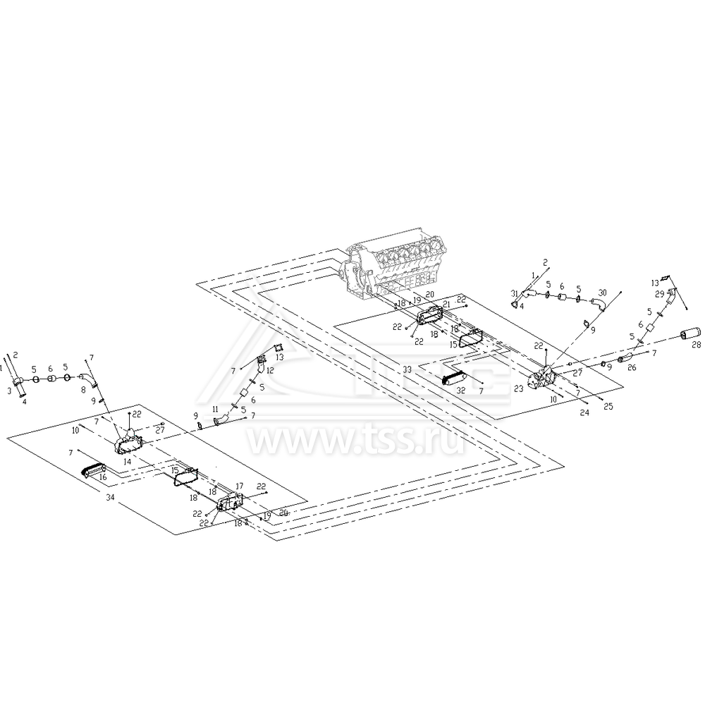
Масляные теплообменники TSS Diesel TDS555-12VTE

Масляные теплообменники TSS Diesel TDS555-12VTE

№ поз.

Номер

Description

Наименование

К-во

Прим.

1

B00004373

BOLT

Болт

2

2

B00002167

BOLT

Болт

4

3

S00010048+01

WATER PUMP OUTLET TUBE (RIGHT)

Патрубок выходной правого водяного насоса

1

4

S00010058+03

WATER PUMP OUTLET GASKET

Прокладка выходного патрубка водяного насоса

2

5

B00001579

CLAMP

Хомут

8

6

B00002451

WATER HOSE

Рукав соединительный

4

7

B00004351

BOLT

Болт

26

8

S00010050+02

WATER INLET PIPE, OIL COOLER (RIGHT)

Патрубок входной водяной правого масляного теплообменника

1

9

S00010122+02

GASKET, WATER OUTLET-OIL COOLER

Прокладка входного водяного патрубка масляного теплообменника

4

10

B00004669

BOLT

Болт

16

11

S00010052+02

OIL COOLER WATER OUTLET HOSE

Патрубок выходной водяной правого масляного теплообменника

1

12

S00010054+01

CYLINDER BLOCK WATER INLET PIPE (RIGHT)

Патрубок входной водяной правый блока цилиндров

1

13

S00010042+02

CYLINDER BLOCK INLET TUBE GASKET

Прокладка входного водяного патрубка блока цилиндров

2

14

S00015150+01

OIL COOLER COVER (RIGHT)

Крышка правого масляного теплообменника

1

15

S00015147+01

OIL COOLER GASKET

Прокладка крышки масляного теплообменника

2

16

S00010092+02

OIL COOLER(RIGHT)

Сердевина правого масляного теплообменника

1

17

S00015146+01

OIL COOLER BASE(RIGHT)

Корпус правого масляного теплообменника

1

18

S00010098+02

O-RING

Кольцо уплотнительное круглого сечения

8

19

S00010099+02

RECTANGLE RUBBER SEALING RING

Кольцо уплотнительное резиновое

2

20

S00001515+03

DOWEL SLEEVE

Втулка направляющая

4

21

S00015145+01

OIL COOLER BASE(LEFT)

Корпус левого масляного теплообменника

1

22

B00001699

HEXAGON COUNTERSUNK CONE PIPE PLUG

Пробка резьбовая коническая с шестигранной головкой

8

23

S00015149+01

OIL COOLER COVER (LEFT)

Крышка левого масляного теплообменника

1

24

B00004890

BOLT

Болт

12

25

B00002034

BOLT

Болт

4

26

S00010051+02

OIL COOLER WATER OUTLET HOSE(LEFT)

Патрубок выходной  водяной левого масляного теплообменника

1

27

G17-104-01+A

BANJO TURNBUCKLE

Штуцер

2

28

D17-002-02+B

OIL FILTER ASSY

Фильтроэлемент масляный

2

29

S00010053+01

CYLINDER BLOCK WATER INLET PIPE (LEFT)

Патрубок входной водяной левый блока цилиндров

1

30

S00010049+02

WATER INLET PIPE, OIL COOLER (LEFT)

Патрубок входной водяной левого масляного теплообменника

1

31

S00010047+01

WATER PUMP OUTLET TUBE(LEFT)

Патрубок выходной левого водяного насоса

32

S00010091+02

OIL COOLER(LEFT)

Сердевина левого масляного теплообменника

1

33

S00015437+01

OIL COOLER ASSY(LEFT)

Теплообменник масляный левый в сборе

1

34

S00015438+01

OIL COOLER ASSY(RIGHT)

Теплообменник масляный правый в сборе

1

×

Оставить заявку

Защита от автоматических сообщений

Введите слово на картинке *

Заявка на ремонт оборудования

выбрать файл файл не выбран
выбрать файл файл не выбран
выбрать файл файл не выбран
Оставаясь на сайте, вы соглашаетесь на использование файлов куки и передачей данных службам веб-аналитики
Принять