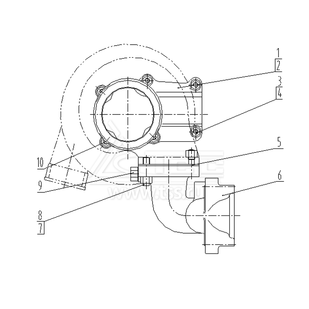
Элементы крепления турбокомпрессора SDEC SC9D280D2

Элементы крепления турбокомпрессора SDEC SC9D280D2

№ поз.

Номер

Part name

Наименование

К-во

Примечание

1

D13-114-01+A

PLATE, OUTLET-TURBINE

Пластина выходная турбокомпрессора

1

2

D13-113-01+A

GASKET, OUTLET PLATE-TURBINE

Прокладка выходной пластины турбокомпрессора

1

3

B00001136

STUD

Шпилька

5

4

B00000793

HEXAGON NUT (TYPE 1)

Гайка шестигранная (типа 1)

6

5

D13-102-30B+B

GASKET, INLET-TURBINE

 Прокладка впускного патрубка турбокомпрессора

1

6

D13-101-38+A

EXHAUST MANIFOLD

Коллектор выпускной

1

7

D13-304-01+C

NUT, FLANGE-TURBOCHARGER

Гайка турбокомпрессора

4

8

D13-103-01+A

STUD

Шпилька

4

9

D02A-166-01+C

PLUG

Пробка

2

10

B00001137

STUD

Шпилька

1

×

Оставить заявку

Защита от автоматических сообщений

Введите слово на картинке *

Заявка на ремонт оборудования

выбрать файл файл не выбран
выбрать файл файл не выбран
выбрать файл файл не выбран
Оставаясь на сайте, вы соглашаетесь на использование файлов куки и передачей данных службам веб-аналитики
Принять