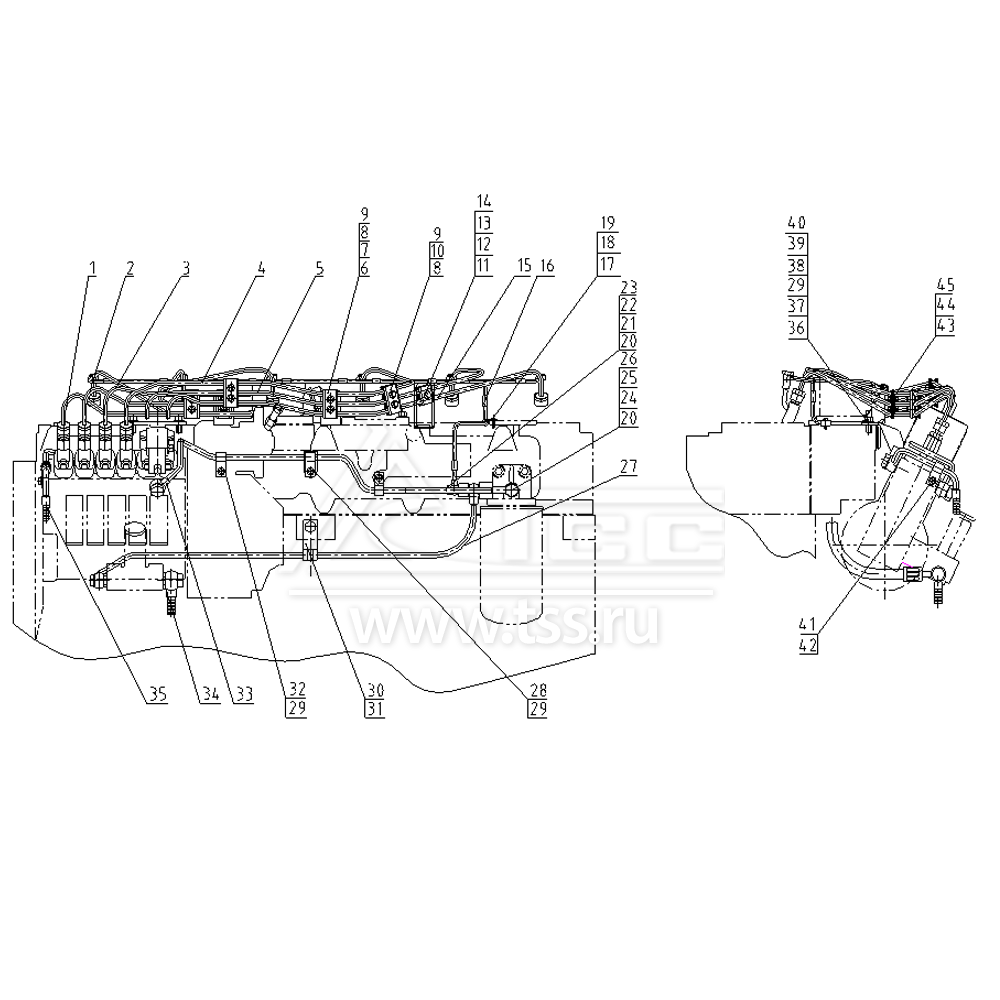
Топливная система SDEC SC9D280D2

Топливная система SDEC SC9D280D2

№ поз.

Номер

Part name

Наименование

К-во

Примечание

1

D26-001-35+A

HIGH PRESSURE FUEL TUBE ASSY (NO.1 CYLINDER) 

Трубка высокого давления цилиндра № 1 в сборе

1

2

D26-002-35+A

HIGH PRESSURE FUEL TUBE ASSY (NO.2 CYLINDER) 

Трубка высокого давления цилиндра № 2 в сборе

1

3

D26-003-35+A

HIGH PRESSURE FUEL TUBE ASSY (NO.3 CYLINDER) 

Трубка высокого давления цилиндра № 3 в сборе

1

4

D26-004-37+A

HIGH PRESSURE FUEL TUBE ASSY (NO.4 CYLINDER) 

Трубка высокого давления цилиндра № 4 в сборе

1

5

D26-005-35+A

HIGH PRESSURE FUEL TUBE ASSY (NO.5 CYLINDER) 

Трубка высокого давления цилиндра № 5 в сборе

1

6

B00000631

HEX HEAD BOLT (FLANGED)

Болт с шестигранной головкой с фланцем

2

7

B00002108

HEX HEAD BOLT (FLANGED)

Болт с шестигранной головкой с фланцем

11

8

D26-105-01+B

BRACE,FUEL TUBE

Скоба прижимная топливных трубок

5

9

D26-035-01+B

BRACKET, LOW PRESSURE FUEL PIPE

Кронштейн топливных трубок низкого давления

2

10

D26-034-01+B

BRACE WELDING, FUEL TUBE

Скоба прижимная топливных трубок

3

11

B00000840

NUT, HEX FLANGE HEAD CAP

Гайка шестигранная с фланцем

1

12

D26-104-02+A

CUSHION

Буфер

2

13

D26-113-31+B

BRACKET

Кронштейн

1

14

D26-105-02+A

BRACE,FUEL TUBE

Скоба прижимная топливной трубки

1

15

D26-006-35+A

HIGH PRESSURE FUEL TUBE ASSY (NO.6 CYLINDER) 

Трубка высокого давления цилиндра № 6 в сборе

1

16

D26-008-33B+A

LOW PRESSURE FUEL RETURN TUBE ASSY

Трубка дренажа низкого давления форсунок в сборе

1

17

B00001293

PLAIN WASHER

Шайба плоская

2

18

B00000582

HEXAGON HEAD BOLT

Болт с шестигранной головкой

2

19

D26-117-01+C

CLAMP

Зажим

2

20

B00001546

RUBBER COATED HARD WASHER

Шайба обрезиненная

4

21

B00001555

RUBBER COATED HARD WASHER

Шайба обрезиненная

2

22

B00002185

BANJO BOLT

Полый болт типа "банджо"

1

23

D26-121-30+B

BANJO BOLT

Полый болт типа "банджо"

1

24

D26-121-01+A

BANJO BOLT

Полый болт типа "банджо"

1

25

B00001545

RUBBER COATED HARD WASHER

Шайба обрезиненная

1

26

B00001724

HEXAGON PIPE PLUG

Пробка резьбовая с шестигранной головкой

1

27

D26-115-31+C

FUEL SUPPLY PUMP OUTLET TUBE

Трубка выходная из подкачивающего насоса

1

28

D26-117-30+D

CLAMP

Скоба прижимная

3

29

B00004367

HEX HEAD BOLT (FLANGED)

Болт с шестигранной головкой с фланцем

5

30

D26-117-38+E

CLAMP

Скоба прижимная

1

31

D26-310-01+A

 BOLT

Болт

1

32

D26-117-32+C

CLAMP

Скоба прижимная

2

33

D26-114-30A+E

FUEL INJECTION PUMP FUEL INLET TUBE ASSY

Трубка впускная топливного насоса высокого давления в сборе

1

34

D26-007-01+A

CONNECTOR WELDING

Штуцер подвода топлива к подкачивающему насосу

1

35

D26-030-03+C

FUEL RETURN PIPE ASSY (WELDED), FUEL INJECTION PUMP

Возвратный топливопровод в сборе, топливного насоса высокого давления

1

36

B00000846

NUT, HEX FLANGE HEAD CAP

Гайка шестигранная с фланцем

1

37

B00004371

HEX HEAD BOLT (FLANGED)

Болт с шестигранной головкой с фланцем

1

38

D26-131-01+A

BOLT

Болт

1

39

D26-130-01+A

SPACER, FUEL INJECTION PUMP

Проставка топливного насоса высокого давления

1

40

D26-129-31A+A

BRACKET, FUEL INJECTION PUMP

Кроншейн топливного насоса высокого давления

1

41

B00004364

HEX HEAD BOLT (FLANGED)

Болт с шестигранной головкой с фланцем

1

42

D26-117-31+B

CLAMP

Скоба прижимная

1

43

B00001251

SPRING WASHER

Шайба пружинная

11

44

D26-104-01+A

CUSHION

Буфер

10

45

B00001296

PLAIN WASHER

Шайба плоская

11

×

Оставить заявку

Защита от автоматических сообщений

Введите слово на картинке *

Заявка на ремонт оборудования

выбрать файл файл не выбран
выбрать файл файл не выбран
выбрать файл файл не выбран
Оставаясь на сайте, вы соглашаетесь на использование файлов куки и передачей данных службам веб-аналитики
Принять