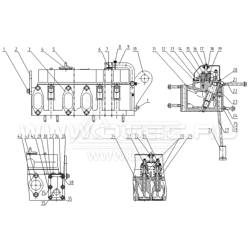
Головка цилиндров SDEC SC9D280D2

Головка цилиндров SDEC SC9D280D2

№ поз.

Номер

Part name

Наименование

К-во

Примечание

1

B00002047

HEX HEAD BOLT (FLANGED)

Болт с шестигранной головкой с фланцем

4

2

D04-142-30C+B

FRONT LIFTING EYE

Рым подъема двигателя передний

1

3

D04-131-30+C

GASKET, AIR INTAKE PIPE

Прокладка впускного коллектора

6

4

D04-138-01A+A

OIL FILLER COVER

Крышка маслозаливной горловины

1

5

D04-139-02+A

OIL FILLER COVER GASKET

Уплотнение крышки маслозаливной горловины

1

6

D04-017-50+C

JOINT ASSY, FUMES DISPOSAL

Штуцер шланга отвода картерных газов

1

7

B00002111

HEX HEAD BOLT (FLANGED)

Болт с шестигранной головкой с фланцем

2

8

B00001565

CLAMP

Хомут

2

9

S00011811+03

HOSE TO CRANKCASE VENTILATION FILTER

Шланг отвода картерных газов с фильтром

1

10

D04-143-30C+B

REARLIFTING EYE

Рым подъема двигателя задний

1

11

D04-001-30B+C

CYLINDER HEAD ASSY

Головка цилиндров в сборе

1

12

D04-135-30A+A

VALVE COVER SEAL (RECTANGULAR)

Прокладка крышки головки цилиндров прямоугольная

1

13

D04-134-32+E

VALVE COVER

Крышка головки цилиндров

1

14

D04-007-32+A

ROCKER ARM ASSY

Коромысло клапана в сборе

6

15

D04-120-30+A

BOLT

Болт

6

16

D04-300-01A+A

O-RING

Кольцо уплотнительное круглого сечения

6

17

D04-136-30B+A

VALVE COVER BOLT

Болт крышки клапанов

6

18

D04-301-01+A

GASKET

Уплотнение

6

19

B00002148

HEX HEAD BOLT (FLANGED)

Болт с шестигранной головкой с фланцем

12

20

D04-148-30+A

INJECTOR BOLT

Болт скобы крепления форсунки

6

21

D04-147-32+A

INJECTOR CLAMP

Скоба крепления форсунки

6

22

D04-307-01A+B

BOLT, AIR INTAKE PIPE

Болт впускного коллектора

6

23

D04-302-02+B

INJECTOR CLAMP SPACER

Проставка скобы крепления форсунки

6

24

B00002016

HEX HEAD BOLT (FLANGED)

Болт с шестигранной головкой с фланцем

6

25

D02A-169-01+A

HEXAGON PIPE PLUG

Пробка резьбовая с шестиграннной головкой

1

26

B00001374

O-RING

Кольцо уплотнительное круглого сечения

1

27

D04-128-30A+C

PUSH ROD

Шток толкателя

12

28

D04-127-30C+D

TAPPET

Толкатель клапана

12

29

D04-113-30A+A

VALVE SPRING

Пружина клапана

12

30

D04-107-30+B

VALVE STEM SEAL, EXHAUST

Манжета уплотнительная выпускного клапана

12

31

D04-114-30B+A

VALVE SPRING RETAINER

Тарелка пружины клапана

12

32

D04-115-30A+A

VALVE COLLET (HALF)

Сухарь клапана

24

33

D04-111-31B+B

EXHAUST VALVE

Клапан выпускной

6

34

D04-110-33+A

INTAKE VALVE

Клапан впускной

6

35

D04-306-01+B

THERMOSTAT STUD

Шпилька термостата

4

36

D04-151-30+D

JOINT

Соеднение

1

37

D04-309-01+A

PLUG

Заглушка

1

38

D04-305-01+A

THERMOSTAT STUD

Шпилька термостата

2

39

B00000846

NUT, HEX FLANGE HEAD CAP

Гайка шестигранная с фланцем

6

40

D04-304-01+C

THERMOSTAT GASKET

Прокладка термостата

1

41

D04-145-30A+C

BOLT EXHAUST MANIFOLD

Болт выпускного коллектора

12

42

D04-144-30+A

GASKET, EXHAUST MANIFOLD

Прокладка выпускного коллектора

6

×

Оставить заявку

Защита от автоматических сообщений

Введите слово на картинке *

Заявка на ремонт оборудования

выбрать файл файл не выбран
выбрать файл файл не выбран
выбрать файл файл не выбран
Оставаясь на сайте, вы соглашаетесь на использование файлов куки и передачей данных службам веб-аналитики
Принять