Прочие детали двигателя SDEC SC9D280D2

Прочие детали двигателя SDEC SC9D280D2

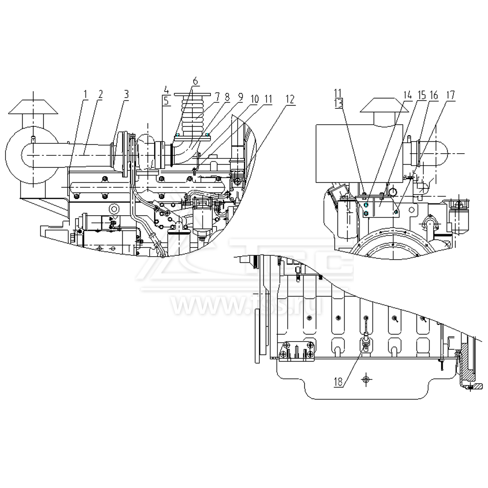
№ поз.

Номер

Part name

Наименование

К-во

Примечание

1

D00-172-07+B

ENGINE LIFTING EYE, REAR

Рым подъема двигателя задний

1

2

S00011352+01

AIR INLET PIPE, TURBOCHARGER

Патрубок входной турбокомпрессора

1

3

B00001586

CLAMP

Хомут

1

4

D13-113-01+A

GASKET, OUTLET PLATE-TURBINE

Прокладка выходного фланца турбокомпрессора

1

5

D13-114-01+A

PLATE, OUTLET-TURBINE

Выходной фланец турбокомпрессора

1

6

D13-001-01+C

CLAMP

Хомут

1

7

D00-158-01+C

EXPANSION CONNECTOR

Компенсатор сильфоннный

1

8

D00-118-02+B

EXHAUST PIPE ELBOW

Патрубок выхлопной коленчатый

1

9

B00002054

HEX HEAD BOLT (FLANGED)

Болт с шестигранной головкой с фланцем

4

10

D00-012-02+A

BRACE WELDING

Кронштейн выхлопного коленчатого патрубка

1

11

B00001999

HEX HEAD BOLT (FLANGED)

Болт с шестигранной головкой с фланцем

6

12

D00-236-05+C

ENGINE LIFTING EYE, FRONT

Рым подъема двигателя передний

1

13

B00000833

NUT, HEX FLANGE HEAD CAP

Гайка шестигранная с фланцем

4

14

B00001996

HEX HEAD BOLT (FLANGED)

Болт с шестигранной головкой с фланцем

2

15

S00011353+01

AIR FILTER BRACKET

Кронштейн воздушного фильтра

1

16

B00001556

CLAMP

Хомут

1

17

B00002134

HEX HEAD BOLT (FLANGED)

Болт с шестигранной головкой с фланцем

1

18

S00018001+01

OIL DIPSTICK ASSY

Щуп масла в сборе

1

×

Оставить заявку

Защита от автоматических сообщений

Введите слово на картинке *

Заявка на ремонт оборудования

выбрать файл файл не выбран
выбрать файл файл не выбран
выбрать файл файл не выбран
Оставаясь на сайте, вы соглашаетесь на использование файлов куки и передачей данных службам веб-аналитики
Принять