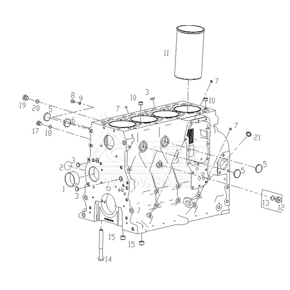
Блок цилиндров SDEC SC4H95D2

Блок цилиндров SDEC SC4H95D2

№ позиции

Номер

Part name

Наименование

К-во

Примечание

1

S00004367

BACK CAMSHAFT BUSHING

Втулка распределительного вала задняя

1

2

D04-167-01A

PLUG

Пробка

1

3

S00003875

PLUG

Пробка

3

5

D04-167-01A

PLUG

Пробка

6

6

D04-308-01

PLUG

Пробка

1

7

S00018740

PLUG

Пробка

3

8

S00004816

PLUG

Пробка

1

9

S00004817

O-RING

Кольцо уплотнительное круглого сечения

1

10

S00000950

DOWEL SLEEVE

Втулка направляющая

2

11

S00008938

CYLINDER LINER

Гильза цилиндра

4

Для маркировки на блоке цилиндров "1". Маркировка соответствует нумерации цилиндров.

11

S00008939

CYLINDER LINER

Гильза цилиндра

4

Для маркировки на блоке цилиндров "А". Маркировка соответствует нумерации цилиндров.

12

S00004822

PIPE PLUG ASSY (ASSEMBLED)

Штуцер в сборе

1

13

S00004824

O-RING

Кольцо уплотнительное круглого сечения

1

14

S00003466

BOLT, MAIN BEARING CAP

Болт крышки коренного подшипника

10

15

D02A-322-40

DOWEL SLEEVE

Втулка направляющая

2

17

S00004813

PLUG

Пробка

1

18

S00004814

O-RING

Кольцо уплотнительное круглого сечения

1

19

S00004810

PLUG

Пробка

1

20

S00004811

O-RING

Кольцо уплотнительное круглого сечения

1

21

D02A-127-01

PLUG

Пробка

1

×

Оставить заявку

Защита от автоматических сообщений

Введите слово на картинке *

Заявка на ремонт оборудования

выбрать файл файл не выбран
выбрать файл файл не выбран
выбрать файл файл не выбран
Оставаясь на сайте, вы соглашаетесь на использование файлов куки и передачей данных службам веб-аналитики
Принять