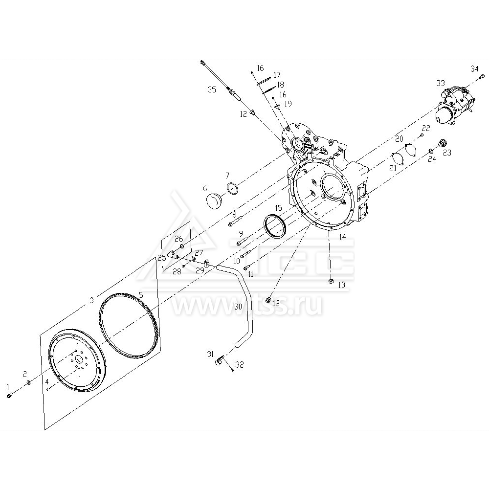
Маховик SDEC SC4H180D2

Маховик SDEC SC4H180D2

№ поз.

Номер

Part name

Наименование

К-во

Примечание

1

S00003468

BOLT

Болт

8

2

S00004914

WASHER

Шайба

8

3

S00010023

FLYWHEEL AND RING GEAR ASSY

Маховик с зубчатым венцом в сборе

1

4

B00000098

PIN

Штифт направляющий

1

5

S00006269

FLYWHEEL AND RING GEAR

Венец маховика зубчатый

1

6

S00009644

COVER

Крышка

1

7

B00004827

O-RING

Кольцо уплотнительное круглого сечения

1

8

B00002037

BOLT

Болт

2

9

B00004631

BOLT

Болт

6

10

B00002031

BOLT

Болт

2

11

B00004902

BOLT

Болт

11

12

B00001728

PIPE PLUG

Пробка резьбовая

2

13

B00001699

PIPE PLUG

Пробка резьбовая

1

14

S00009041

FLYWHEEL HOUSING

Картер маховика

1

15

D02A-118-02b

CRANKSHAFT SEAL, BACK

Сальник коленчатого вала задний

1

16

B00002111

BOLT

Болт

6

17

S00009042

OBSERVING HOLE ADAPTOR, FLYWHELL HOUSING

Крышка смотрового окна

1

18

S00009043

COVER GASKET

Прокладка крышки смотрового окна

1

19

D02c-103-30

FINGER

Указатель угла коленчатого вала

1

20

D02C-104-01

COVER

Крышка

1

21

D02C-105-01

COVER GASKET

Прокладка крышки

1

22

B00002130

BOLT

Болт

2

23

D02C-106-01

BARRING BORE PLUG

Переходник приспособления для проворота коленчатого вала

1

24

B00000300

O-RING

Кольцо уплотнительное круглого сечения

1

25

S00005202

JOINT ASSY, FUMES DISPOSAL

Штуцер отвода картерных газов в сборе

1

26

S00005204

O-RING

Кольцо уплотнительное круглого сечения

1

27

S00005205

VENT PIPE CLAMP (HALF)

Скоба трубки отвода картерных газов

1

28

B00005085

BOLT

Болт

1

29

B00001565

CLAMP

Хомут

1

30

S00010031

VENT PIPE

Трубка отвода картерных газов

1

31

S00010423

CLAMP

Хомут

1

32

B00004896

BOLT

Болт

1

33

S00012976

STARTING MOTOR

Стартер

1

34

B00005036

BOLT

Болт

3

35

S00011542

ENGINE SPEED SENSOR

Датчик оборотов двигателя

1

×

Оставить заявку

Защита от автоматических сообщений

Введите слово на картинке *

Заявка на ремонт оборудования

выбрать файл файл не выбран
выбрать файл файл не выбран
выбрать файл файл не выбран
Оставаясь на сайте, вы соглашаетесь на использование файлов куки и передачей данных службам веб-аналитики
Принять