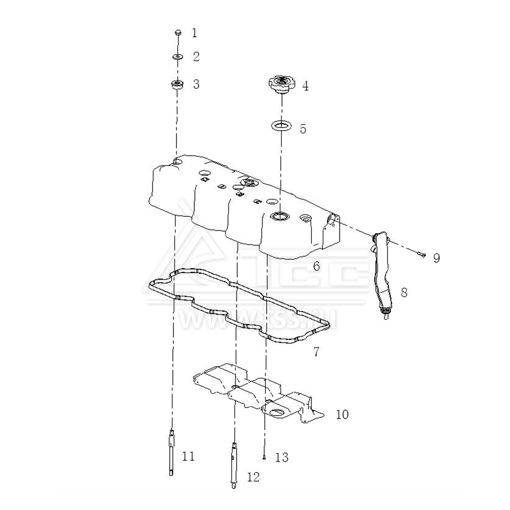
Крышка головки цилиндров SDEC SC4H180D2

Крышка головки цилиндров SDEC SC4H180D2

№ поз.

Номер

Part name

Наименование

К-во

Примечание

1

B00001236

CAP NUT

Гайка колпачковая

5

 

2

B00001811

ENLARGED ROUGH WASHER

Шайба

5

 

3

S00004964

ISOLATOR ,VIBRATION

Виброизолятор

5

 

4

S00004614

OIL FILLER COVER

Крышка маслозаправочной горловины

1

 

5

D02A-328-01

SEAL RING, OIL FILLER

Кольцо уплотнительное маслозаправочной горловины

1

 

6

S00016032

VALVE COVER

Крышка головки цилиндров

1

 

7

S00005034

ROCKER ARM CASE SEAL RING

Прокладка крышки головки цилиндров

1

 

8

S00004978

VENT PIPE ON VALVE COVER

Трубка отвода газов крышки головки цилиндров

1

 

9

B00000935

PAN HEAD SCREW WITH CROSS RECESS

Винт с крестовой головкой

2

 

10

S00011276

MAZE PLATE INSIDE VALVE COVER

Пластина крышки головки цилиндров профилированная

1

 

11

S00016019

STUD

Шпилька

2

 

12

S00011277

STUD

Шпилька

3

 

13

B00005143

PAN HEAD SCREW WITH CROSS RECESS

Винт с крестовой головкой

8

 

×

Оставить заявку

Защита от автоматических сообщений

Введите слово на картинке *

Заявка на ремонт оборудования

выбрать файл файл не выбран
выбрать файл файл не выбран
выбрать файл файл не выбран
Оставаясь на сайте, вы соглашаетесь на использование файлов куки и передачей данных службам веб-аналитики
Принять