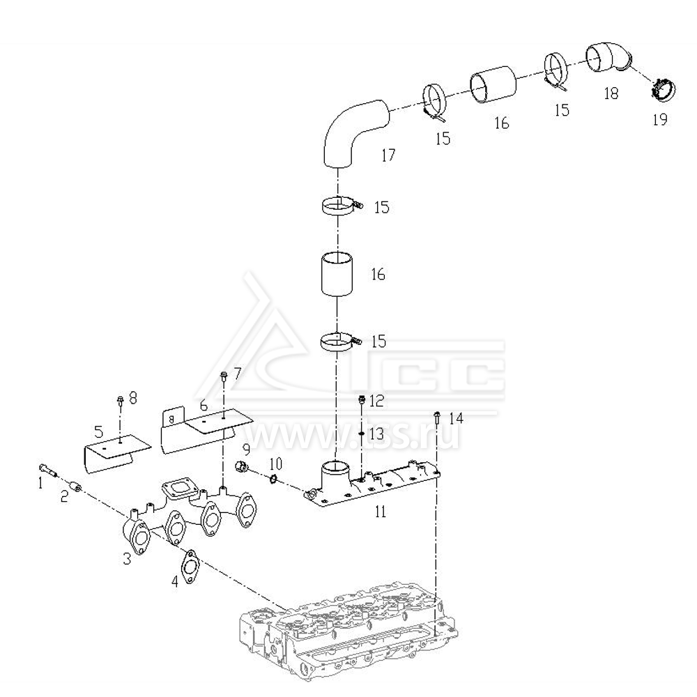
Впускной и выпускной коллекторы SDEC SC4H115D2

Впускной и выпускной коллекторы SDEC SC4H115D2

№ поз.

Номер

Description

Наименование

К-во

Примечание

1

D04-145-30A

BOLT EXHAUST MANIFOLD

Болт выпусного коллектора

8

2

S00003833

EXHAUST PIPE BOLT SPACER

Проставка болта выпускного коллектора

8

3

S00011279

EXHAUST MANIFOLD

Коллектор выпускной

1

4

S00003834

GASKET, EXHAUST MANIFOLD

Прокладка выпускного коллектора

4

5

S00012169

HEAT SHIELD, EXHAUST MANIFOLD

Кожух термозащитный выпускного коллектора

1

6

S00012168

HEAT SHIELD, EXHAUST MANIFOLD

Кожух термозащитный выпускного коллектора

1

7

D13-318-02

BOLT

Болт

2

8

D13-318-04

BOLT

Болт

2

9

B00001729

HEXAGON PIPE PLUG

Заглушка резьбовая с шестигранной головкой

1

10

B00001550

RUBBER COATED HARD WASHER

Шайба обрезиненная

1

11

S00015127

COVER, AIR  INTAKE PIPE

Крышка впускного коллектора

1

12

B00001724

HEXAGON PIPE PLUG

Заглушка резьбовая с шестигранной головкой

1

13

B00001545

RUBBER COATED HARD WASHER

Шайба обрезиненная

1

14

S00005856

HEX HEAD BOLT

Болт с шестигранной головкой

12

15

B00001542

SPRING CLAMP

Хомут

4

16

B00001627

HOSE

Рукав соединительный

2

17

S00015180

INTAKE TUBE EXTENSION

Патрубок коленчатый

1

18

S00015177

COMPRESSOR OUTLET ELBOW

Патрубок выходной турбокомпрессора коленчатый

1

19

S00006095

CLAMP

Хомут фланцевый

1

×

Оставить заявку

Защита от автоматических сообщений

Введите слово на картинке *

Заявка на ремонт оборудования

выбрать файл файл не выбран
выбрать файл файл не выбран
выбрать файл файл не выбран
Оставаясь на сайте, вы соглашаетесь на использование файлов куки и передачей данных службам веб-аналитики
Принять