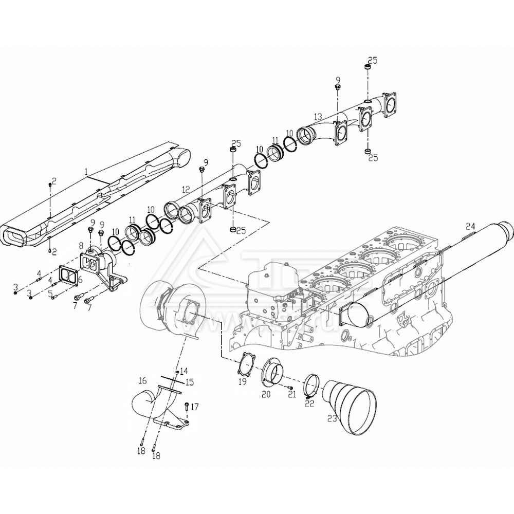
Впускной и выпускной коллекторы SDEC SC33W990D2

Впускной и выпускной коллекторы SDEC SC33W990D2

№ поз.

Номер

Description

Наименование

К-во

Примечание

1

W13C-000-01

EXHAUST MANIFOLD HEAT SHIELD ASSY EXTERNAL

Кожух термозащитный выпускного коллектора

1

2

B00004556

HEX HEAD BOLT (FLANGED)

Болт с шестигранной головкой с фланцем

12

3

D13-304-01

TURBOCHARGER SELF-LOCKING NUT

Гайка самоконтрящаяся крепления турбокомпрессора

2

4

D13-103-01

STUD

Шпилька

2

5

W13A-107-01

HEXAGON HEAD BOLT

Болт с шестигранной головкой

2

6

W13A-105-01

GASKET, INLET-TURBINE

Прокладка турбокомпрессора

1

7

B00002101

SIX ANGLE BOLT FLANGE

Болт с шестигранной головкой с фланцем

3

8

W13A-103-01

HOSE

Фланец выпускного коллектора

1

9

B00001728

SIX HEXAGON-HEAD SCREW PLUG

Пробка с шестигранной головкой

8

10

W13A-106-01

SEAL RING

Кольцо уплотнительное

24

11

W13A-104-01

SEAL RING

Манжета уплотнительная

3

12

W13A-101-01

1,2,3 EXHAUST MANIFOLD

Коллектор выпускной задний

1

13

W13A-102-01

1,2,3 EXHAUST MANIFOLD

Коллектор выпускной передний

1

14

B00000846

HEXAGON NUTS WITH FLANGE-FINE PITCH THREAD

Гайка шестигранная с фланцем точная

4

15

W12A-117-01

GASKET

Прокладка выходного патрубка турбокомпрессора

1

16

W12A-111-02

AIR OUTLET PIPE, COMPRESSOR

Патрубок выходной турбокомпрессора

1

17

B00002054

SIX ANGLE BOLT FLANGE

Болт с шестигранной головкой с фланцем

4

18

B00004163

SIX ANGLE BOLT FLANGE

Болт с шестигранной головкой с фланцем

4

19

W12B-104-01

GASKET

Прокладка входного фланца турбокомпрессора

1

20

W12B-001-01

PIPE ASSY

Фланец входной турбокомпрессора

1

21

B00001998

SIX ANGLE BOLT FLANGE

Болт с шестигранной головкой с фланцем

4

22

B00001533

SPRING CLAMP

Хомут

1

23

W12B-101-03

AIR FILTER ADAPTER

Рукав соединительный выходной воздушного фильтра

1

24

W12A-001-02

AIR INTAKE PIPE ASSY

Коллектор впускной

1

25

B00001692

HEXAGON COUNTERSUNK CONE PIPE PLUG

Пробка потайная

4

×

Оставить заявку

Защита от автоматических сообщений

Введите слово на картинке *

Заявка на ремонт оборудования

выбрать файл файл не выбран
выбрать файл файл не выбран
выбрать файл файл не выбран
Оставаясь на сайте, вы соглашаетесь на использование файлов куки и передачей данных службам веб-аналитики
Принять