Топливная система SDEC SC33W990D2

Топливная система SDEC SC33W990D2

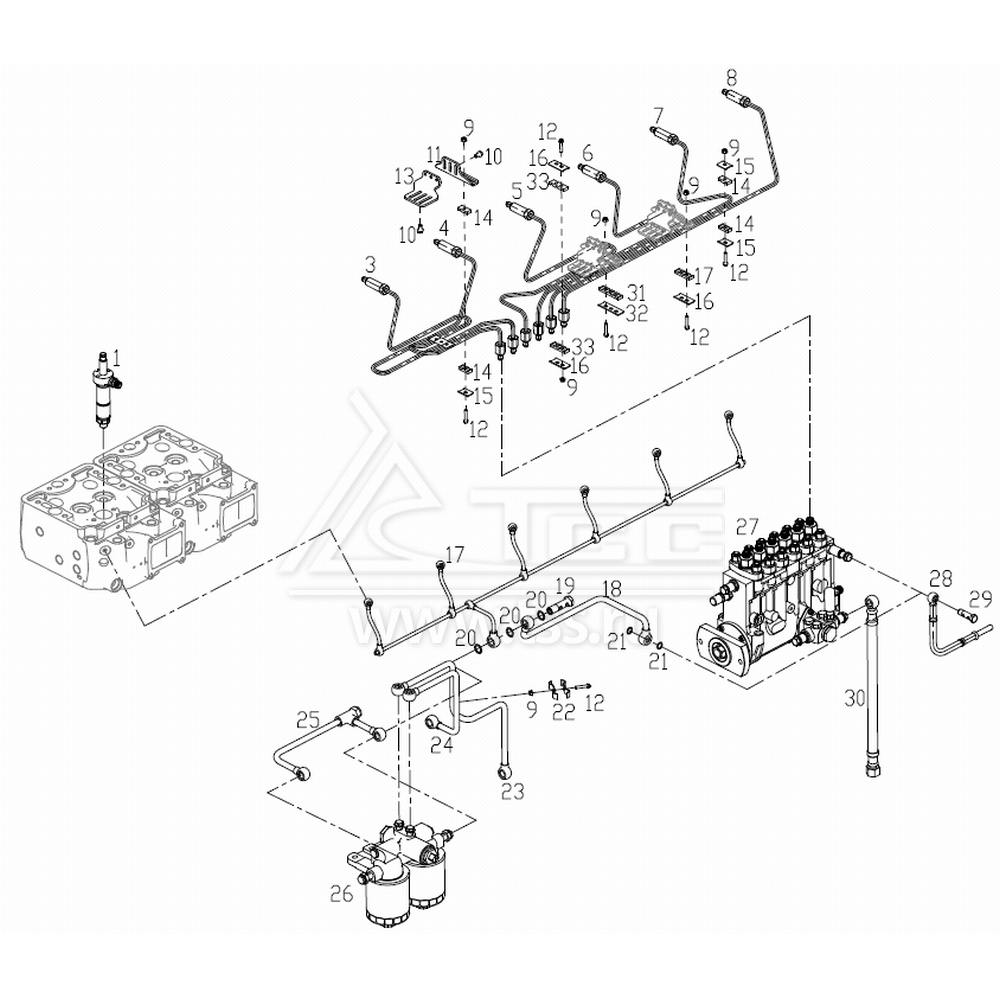
№ поз.

Номер

Description

Наименование

К-во

Примечание

1

W28A-000-01

INJECTOR ASSY

Форсунка топливная в сборе

6

3

W26A-001-03

HIGH PRESSURE FUEL PIPE ASSY, NO.1 CYLINDER

Трубка высокого давления цилиндра № 1 в сборе

1

4

W26A-002-03

HIGH PRESSURE FUEL PIPE ASSY, NO.2 CYLINDER

Трубка высокого давления цилиндра № 2 в сборе

1

5

W26A-003-03

HIGH PRESSURE FUEL PIPE ASSY, NO.3 CYLINDER

Трубка высокого давления цилиндра № 3 в сборе

1

6

W26A-004-03

HIGH PRESSURE FUEL PIPE ASSY, NO.4 CYLINDER

Трубка высокого давления цилиндра № 4 в сборе

1

7

W26A-005-03

HIGH PRESSURE FUEL PIPE ASSY, NO.5 CYLINDER

Трубка высокого давления цилиндра № 5 в сборе

1

8

W26A-006-03

HIGH PRESSURE FUEL PIPE ASSY, NO.6 CYLINDER

Трубка высокого давления цилиндра № 6 в сборе

1

9

B00000843

HEXAGON NUTS WITH FLANGE

Гайка шестигранная с фланцем

4

10

B00004895

HEX HEAD BOLT (FLANGED)

Болт с шестигранной головкой с фланцем

18

11

W26A-110-01

BRACKET ,HIGH PRESSURE FUEL PIPE

Кронштейн прижимной трубок высокого давления

3

12

B00002123

HEX HEAD BOLT (FLANGED)

Болт с шестигранной головкой с фланцем

10

13

W26A-109-01

BRACKET ,HIGH PRESSURE FUEL PIPE

Кронштейн прижимной трубок высокого давления

3

14

D26C-131-01

CLAMP CUSHION

Прокладка прижимного кронштейна

6

15

D26C-105-800

CLAMP

Скоба прижимная

4

16

D26C-130-800

CLAMP

Скоба прижимная

3

17

W26B-002-01

FUEL RETURN TUBE

Трубка дренажная форсунок

1

18

W26B-006-01

FUEL RETURN TUBE

Трубка дренажная

1

19

W26B-115-01

BANJO BOLT

Полый болт двойного углового соединения

1

20

B00001831

COPPER WASHER

Шайба медная

3

21

B00001823

COPPER WASHER

Шайба медная

1

22

W26B-117-01

CLAMP

Скоба прижимная

2

23

W26B-005-01

OIL FILTER INLET TUBE ASSY (WELDED)

Трубка входная топливного фильтра

1

24

W26B-004-01

FUEL INJECTION PUMP FUEL INLET TUBE ASSY

Трубка выходная топливного фильтра

1

25

W26B-003-01

OIL FILTER ASSY (WELDED)

Трубка дренажная топливного фильтра

1

26

W85A-000-01

FUEL FILTER GROUP

Фильтр топливный в сборе

1

27

W28C-000-03

FUEL INJECTION PUMP GROUP

Топливный насос высокого давления в сборе

1

28

771-26-029

FUEL INJECTION PUMP FUEL INLET TUBE ASSY

Трубка дренажная топливного насоса высокого давления

1

29

771Z-17-001A

CONNECTOR SCREW

Винт соединительный

1

30

W26B-104-01

FUEL SUPPLY PUMP INLET TUBE ASSY

Трубка подачи топлива к топливному подкачивающему насосу

1

31

D26C-131-900

CLAMP CUSHION

Прокладка прижимной пластины

2

32

D26C-105-900

CLAMP

Пластина прижимная

1

33

D26C-131-904

CLAMP CUSHION

Прокладка прижимной пластины

4

×

Оставить заявку

Защита от автоматических сообщений

Введите слово на картинке *

Заявка на ремонт оборудования

выбрать файл файл не выбран
выбрать файл файл не выбран
выбрать файл файл не выбран
Оставаясь на сайте, вы соглашаетесь на использование файлов куки и передачей данных службам веб-аналитики
Принять