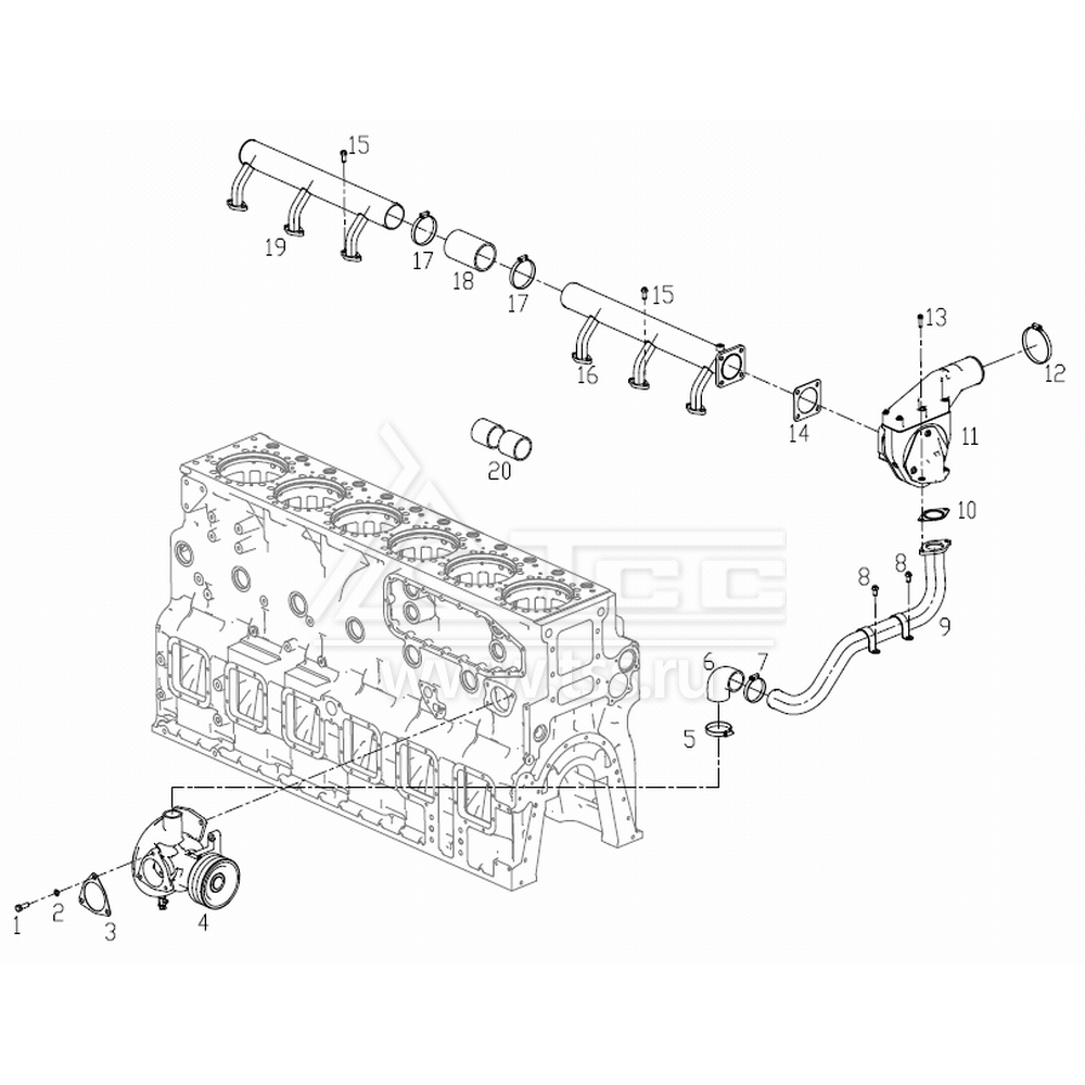
Водяной насос и водяной коллектор SDEC SC33W990D2

Водяной насос и водяной коллектор SDEC SC33W990D2

№ поз.

Номер

Description

Наименование

К-во

Примечание

1

B00000677

HEXAGON HEAD BOLTS

Болт с шестигранной головкой

3

2

B00001239

SINGLE COIL SPRING LOCK WASHERS, NORMAL TYPE

Шайба пружинная

3

3

W24A-116-01+A

GASKET

Прокладка входного патрубка водяного насоса

1

4

W20A-000-02

WATER PUMP ASSY

Насос водяной

1

5

B00001575

CLAMP

Хомут

2

6

D24C-303-01+A

RUBBER ELBOW

Рукав соединительный

1

7

B00001575

CLAMP

Хомут

2

8

B00001996

HEXAGON BOLTS WITH FLANGE

Болт с шестигранной головкой с фланцем

4

9

W24A-003-03+D

THERMOSTAT OUTLET PIPE WELDING ASSY

Труба между термостатом и водяным насосом

1

10

W24A-115-02+B

GASKET

Прокладка трубы между термостатом и водяным насосом

1

11,1

W22A-102-02+B

COVER, THERMOSTAT

Крышка термостата

1

11,2

W22A-001-02+D

HOUSING, THERMOSTAT

Корпус термостата

1

11,3

S00010360+02

THERMOSTAT

Термостат (элемент)

3

12

B00001586

CLAMP

Хомут

1

13

B00002139

HEXAGON BOLTS WITH FLANGE

Болт с шестигранной головкой с фланцем

2

14

W24A-117-02+A

GASKET

Прокладка торцевая водяного коллектора

1

15

B00001999

HEXAGON BOLTS WITH FLANGE

Болт с шестигранной головкой с фланцем

12

16

W24A-006-01+D

CYLINDER HEAD WATER OULET TUBE ASSY (WELDED)

Коллектор водяной передний

1

17

B00001581

CLAMP

Хомут

2

18

W24A-005-01+B

WATER OUTLET HOSE, CYLINDER HEAD

Рукав соединительный

1

19

W24A-007-01+D

CYLINDER HEAD WATER OULET TUBE ASSY (WELDED)

Коллектор водяной задний

1

×

Оставить заявку

Защита от автоматических сообщений

Введите слово на картинке *

Заявка на ремонт оборудования

выбрать файл файл не выбран
выбрать файл файл не выбран
выбрать файл файл не выбран
Оставаясь на сайте, вы соглашаетесь на использование файлов куки и передачей данных службам веб-аналитики
Принять