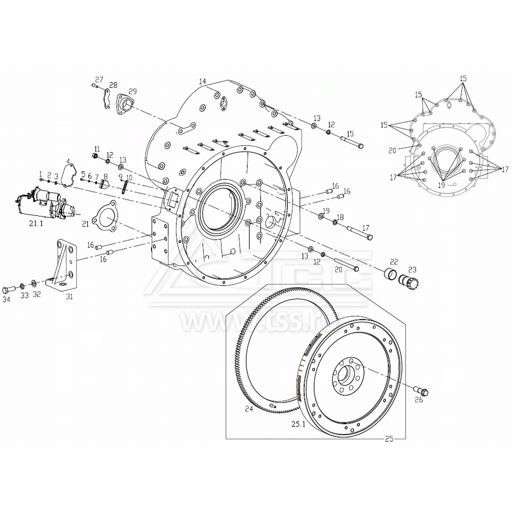
Маховик SDEC SC33W990D2

Маховик SDEC SC33W990D2

№ поз.

Номер

Description

Наименование

К-во

Примечание

1

B00000890

SLOTTED PAN HEAD SCREW

Болт с корончатой головкой

2

2

B00001253

SPRING WASHER

Шайба пружинная

2

3

B00001299

PLAIN WASHER

Шайба плоская

2

4

765I-02-004

COVER,TIMEING POINTER

Крышка смотрового окна картера маховика

1

5

B00000885

SLOTTED PAN HEAD SCREW

Болт с корончатой головкой

1

6

B00001252

SPRING WASHER

Шайба пружинная

1

7

B00001297

PLAIN WASHER

Шайба

1

8

771-02-033

TIMEING POINTER

Указатель угла поворота коленчатого вала

1

9

B00000958

RIVET, NAMEPLATE

Заклепка таблички

2

10

771-02-032

NAMEPLATE

Табличка

1

11

B00000774

HEXAGON NUT (TYPE 1)

Гайка шестигранная (тип 1)

6

12

B00001241

SPRING WASHER

Шайба пружинная

17

13

B00001281

PLAIN WASHER

Шайба плоская

17

14

W02C-101-01

FLYWHEEL HOUSING

Картер маховика и шестерен

1

15

W25A-118-01

HEXAGON HEAD BOLT

Болт с шестигранной головкой

1

16

B00004157

PIN

Штифт

4

17

W02C-107-01

HEXAGON HEAD BOLT

Болт с шестигранной головкой

13

18

B00001243

SPRING WASHER

Шайба пружинная

13

19

B00001284

PLAIN WASHER

Шайба

13

20

W02C-108-01

HEXAGON HEAD BOLT

Болт с шестигранной головкой

10

21

W02C-104-01

STARTING MOTOR GASKET

Прокладка стартера

1

 21.1

W11A-001-01

STARTER

Стартер

1

22

W06B-106-01

BUSHING

Втулка приспособления для проворота коленчатого вала

1

23

W06B-104-01

SHAFT, GEAR

Приспособление для проворота коленчатого вала

1

24

W06B-102-01

RING GEAR, ENGINE START

Венец зубчатый маховика

1

25

W06B-001-01

RING GEAR, FLYWHEEL

Маховик в сборе с зубчатым венцом

1

 25.1

W06B-101-01

FLYWHEEL

Маховик

1

26

W06B-103-01

FLYWHEEL BOLT

Болт маховика

8

27

B00004632

HEX HEAD BOLT

Болт с шестигранной головкой

3

28

W06B-107-01

SPRING RETAINER

Скоба крепления приспособления для проворота коленчатого вала

1

29

W06B-105-01

SEAT

Переходник приспособления для проворота коленчатого вала

1

30

B00001066

RING RETAINER FOR HOLE (TYPE A)

Кольцо стопорное для вала (тип А)

1

31

W33D-101-01

BRACKET,FLYWHEEL HOUSING

Опора картера маховика

2

32

B00004181

PLAIN WASHER

Шайба

8

33

B00001244

SPRING WASHER

Шайба пружинная

8

34

B00004174

HEXAGON HEAD BOLT

Болт с шестигранной головкой

8

×

Оставить заявку

Защита от автоматических сообщений

Введите слово на картинке *

Заявка на ремонт оборудования

выбрать файл файл не выбран
выбрать файл файл не выбран
выбрать файл файл не выбран
Оставаясь на сайте, вы соглашаетесь на использование файлов куки и передачей данных службам веб-аналитики
Принять