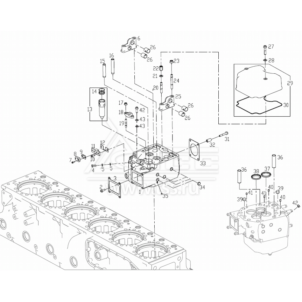
Головки цилиндров SDEC SC33W990D2

Головки цилиндров SDEC SC33W990D2

№ поз.

Номер

Description

Наименование

К-во

Примечание

1

W04A-001-02

CYLINDER HEAD ASSY

Головка цилиндра

6

2

B00001999

SIX ANGLE BOLT FLANGE

Болт с шестигранной головкой с фланцем

24

3

W04A-121-01

GASKET, AIR INTAKE PIPE

Прокладка впускного коллектора

6

4

B00002177

BANJO BOLT

Полый болт типа "банджо"

6

5

B00001815

COPPER WASHER

Шайба медная

12

6

W04A-003-01

ROCKER ARM ASSY

Стойка коромысел клапанов

6

7

B00002114

SIX ANGLE BOLT FLANGE

Болт с шестигранной головкой с фланцем

12

8

W04A-116-01

CLAMP

Прижим наконечника трубки высокого давления

6

9

W04A-117-01

GASKET

Прокладка прижима наконечника трубки высокого давления

6

10

B00002134

SIX ANGLE BOLT FLANGE

Болт с шестигранной головкой с фланцем

12

11

W04A-114-01

GASKET

Компенсатор прижима трубки высокого давления

6

12

W04A-115-01

GASKET

Прокладка компенсатора прижима трубки высокого давления

6

13

W04A-104-01

WATER JACKET, INJECTOR

Стакан форсунки

6

14

W04A-105-01

O-RING

Кольцо уплотнительное круглого сечения

18

15

W04A-106-01

VALVE GUIDE

Втулка направляющая впускного клапана

12

16

W04A-107-01

VALVE GUIDE, EXHAUST

Втулка направляющая выпускного клапана

12

17

B00000833

SIX ANGLE BOLT FLANGE

Болт с шестигранной головкой с фланцем

12

18

W04A-113-01

CLAMP, INJECTOR

Прижим форсунки

6

19

B00001108

STUD

Шпилька крепления форсунки

12

20

B00004177

STUD

Шпилька крепления стойки коромысел клапанов

12

21

B00001278

PLAIN WASHER

Шайба

24

22

W04A-125-01

BOLT,ROCKER SEAT

Гайка крепления стойки коромысел клапанов

12

23

B00000836

SIX ANGLE BOLT FLANGE

Болт с шестигранной головкой с фланцем

12

24

B00001131

STUD

Шпилька крепления стойки коромысел клапанов

12

25

W04A-002-01

ROCKER ARM ASSY

Стойка коромысел клапанов

6

26

W04A-110-01

BUSHING,PEDESTAL ROCKER ARM

Втулка стойки коромысел клапанов

12

27

B00002066

SIX ANGLE BOLT FLANGE

Болт с шестигранной головкой с фланцем

12

28

B00001821

COPPER WASHER

Шайба медная

12

29

W04A-119-01

VALVE COVER

Крышка головки цилиндра

6

30

W04A-120-01

ROCKER ARM CASE SEAL RING

Прокладка крышки головки цилиндра

6

31

D04-145-30A

BOLT EXHAUST MANIFOLD

Болт выпускного коллектора

24

32

W04A-128-01

SPACER

Втулка проставочная

24

33

W04A-124-01

GASKET, EXHAUST MANIFOLD

Прокладка выпускного коллектора

6

34

W04A-103-01

PLUG

Заглушка

48

35

W04A-123-01

PLUG

Заглушка

12

36

W04A-108-01

SPACER

Втулка направляющая

12

37

W04A-127-01

EXHAUST VALVE SEAT INSERT

Седло выпускного клапана

12

38

W04A-126-01

INTAKE VALVE SEAT INSERT

Седло впускного клапана

12

39

W04A-122-01

PLUG

Заглушка

12

40

W04A-130-01

PLUG

Заглушка

12

41

W04A-129-01

PLUG

Заглушка

12

42

B00002185

BANJO BOLT

Полый болт типа "банджо"

6

43

B00001854

COPPER WASHER

Шайба медная

12

44

B00001701

HEXAGON COUNTERSUNK CONE PIPE PLUG

Пробка потайная

12

45

W04A-118-01

WATER OUTLET PIPE GASKET

Прокладка выходного водяного коллектора

6

×

Оставить заявку

Защита от автоматических сообщений

Введите слово на картинке *

Заявка на ремонт оборудования

выбрать файл файл не выбран
выбрать файл файл не выбран
выбрать файл файл не выбран
Оставаясь на сайте, вы соглашаетесь на использование файлов куки и передачей данных службам веб-аналитики
Принять