Аксессуары двигателя SDEC SC33W990D2

Аксессуары двигателя SDEC SC33W990D2

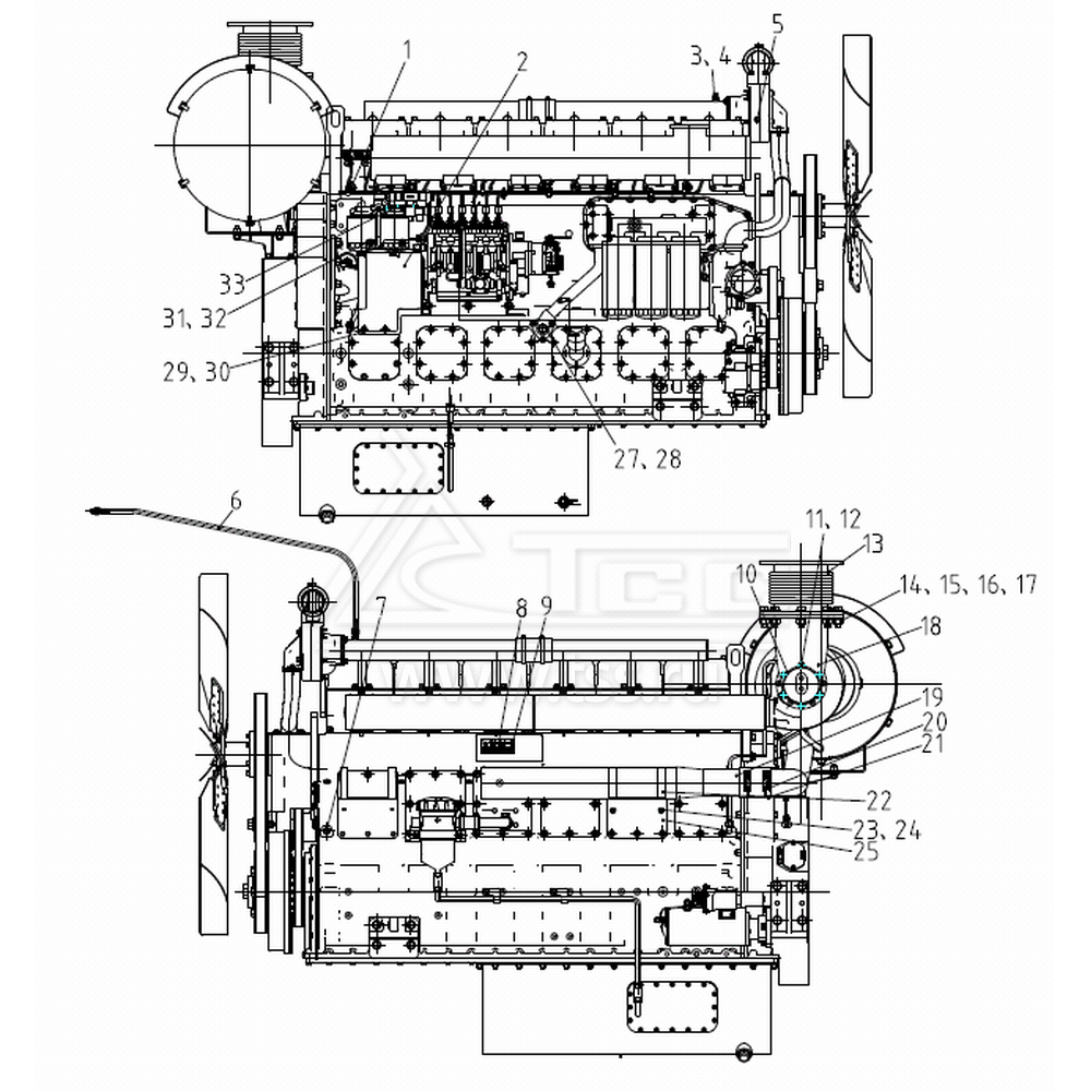
Поз.

Номер

Description

Наименование

К-во

Примечание

2

W00A-168-01+C

GUARD, FUEL PUMP COUPLING

Кожух защитный привода топливного насоса высокого давления

1

3

B00002216

SCREWED JOINT

Штуцер

2

4

B00001819

COPPER WASHER

Шайба медная

2

5

W00A-115-01+A

JOINT, WATER THERMOMETER

Штуцер датчика температуры воды

1

6

W00A-126-01+A

RADIATOR RETURN WATER TUBE

Трубка перелива воды из радиатора

1

7

W00A-114-01+A

OIL PRESSURE SENDER ADAPTOR

Штуцер датчика давления масла

1

8

W00A-101-02+D

NAMEPLATE, ENGINE

Табличка двигателя

1

9

B00000958

RIVET FOR NAMEPLATE

Заклепка таблички двигателя

4

10

W00A-123-01+A

GASKET, OUTLET-TURBINE

Прокладка входного коленчатого патрубка турбокомпрессора

1

11

D13-103-01+A

STUD

Шпилька

6

12

D13-304-01+C

NUT, FLANGE-TURBOCHARGER

Гайка турбокомпрессора с фланцем

6

13

W00A-156-01+B

EXPANSION CONNECTOR

Компенсатор сильфонный

1

14

B00000781

HEXAGON NUtS, StYlE 1

Гайка шестигранная (тип 1)

8

15

B00001246

SINGLE COIL SPRING WASHER

Шайба пружинная

8

16

B00001287

PLAIN WASHERS-NORMAL SERIES-PRODUCT GRADE A

Шайба

8

17

B00000466

HEXAGON HEAD BOLTS

Болт с шестигранной головкой

8

18

W00A-155-01+A

EXHAUST ELBOW

Патрубок коленчатый выходной турбокомпрессора

1

19

W00A-157-01+01

AIR INLET PIPE,  INTERCOOLER

Патрубок входной интеркулера

1

20

B00001532

CLAMP

Хомут

2

21

B00004673

RUBBER HOSE

Рукав соединительный

1

22

W02F-120-01+A

CLAMP

Хомут

2

23

B00000834

HEXAGON NUTS WITH FLANGE-FINE PITCH THREAD

Гайка шестигранная с фланцкм точная

2

24

B00001998

HEXAGON BOLTS WITH FLANGE-SMALL SERIES

Болт с шестигранной головкой с фланцем

2

25

W02F-122-01+A

INTERCOOLER INLET TUBE BASKET

Кронштейн входного патрубка интеркулера

1

26

S00000533+01

WATER PUMP O-RING

Прокладка водяного насоса

1

27

B00002182

HINGE BOLT

Болт с потайной головкой

2

28

B00001551

SEAL WASHER

Шайба уплотнительная

4

29

B00001276

PLAIN WASHERS-NORMAL SERIES-PRODUCT GRADE A

Шайба

2

30

B00002003

HEXAGON BOLTS WITH FLANGE-SMAll SERIES

Болт с шестигранной головкой с фланцем

2

31

B00001279

PLAIN WASHERS-NORMAL SERiES-PRODUCT GRADE A

Шайба

2

32

B00002055

HEXAGON BOLTS WITH FLANGE-SMALL SERIES

Болт с шестигранной головкой с фланцем

2

33

W00A-128-01+B

BRACKET, SHUT-OFF  SOLENOID VALVE

Кронштейн соленоидного крана останова

1

×

Оставить заявку

Защита от автоматических сообщений

Введите слово на картинке *

Заявка на ремонт оборудования

выбрать файл файл не выбран
выбрать файл файл не выбран
выбрать файл файл не выбран
Оставаясь на сайте, вы соглашаетесь на использование файлов куки и передачей данных службам веб-аналитики
Принять