Топливная система низкого давления SDEC SC33W1150D2

Топливная система низкого давления SDEC SC33W1150D2

№ поз.

Номер

Description

Наименование

К-во

Примечание

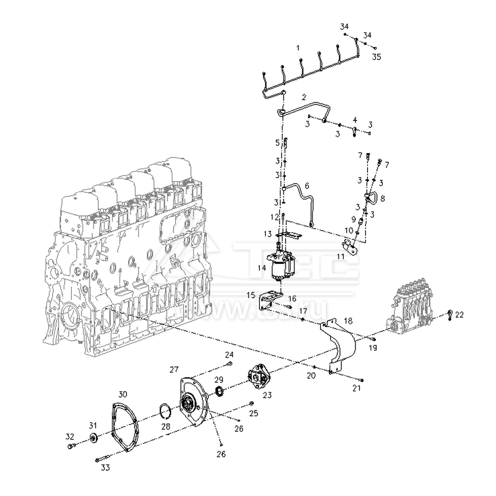
1

W26B-002-03

FUEL RETURN PIPE ASSY

Трубка дренажная форсунок

1

2

W26B-003-03

FUEL RETURN PIPE ASSY

Трубка дренажная

1

3

B00001831

COPPER WASHER

Шайба медная

10

4

D11-130-101

PIPE JOINT ASSY (WELDED)

Фитинг углового соединения

1

5

W26B-115-01

HINGE BOLT

Полый болт типа "банджо"

1

6

W26B-005-03

FUEL SUPPLY PUMP OUTLET TUBE ASSY

Трубка входная топливного фильтра

1

7

B00002181

HINGE BOLT

Полый болт типа "банджо"

2

8

W26B-012-02

FUEL PIPE, SOLENOID

Трубка выходная топливного фильтра

1

9

W26B-120-01

FUEL SUPPLY TUBE CONNECTOR

Штуцер соленоида останова

1

10

W26B-013-02

WASHER

Шайба

1

11

W26B-008-02

SOLENOID

Соленоид останова

1

12

B00002054

HEXAGON BOLTS WITH FLANGE

Болт с шестигранной головкой с фланцем

4

13

W00A-128-01

BRACKET, SHUT-OFF  SOLENOID VALVE

Кронштейн соленоида останова

1

14

S00020925

FUEL FILTER GROUP

Фильтр топливный в сборе

1

W98A-001-01

ELEMENT, FUEL FILTER

Фильтроэлемент топливный

2

15

W02A-121-01

BRACKET, FUEL FILTER

Кроштейн топливного фильтра

1

16

B00002050

HEXAGON BOLTS WITH FLANGE

Болт с шестигранной головкой с фланцем

4

17

B00001279

PLAIN WASHER

Шайба

2

18

W00A-168-02

GURAD, FUEL PUMP COUPLING

Кожух защитный привода топливного насоса высокого давления

1

19

B00002055

HEXAGON BOLTS WITH FLANGE

Болт с шестигранной головкой с фланцем

2

20

B00001276

PLAIN WASHER

Шайба

2

21

B00002003

HEXAGON BOLTS WITH FLANGE

Болт с шестигранной головкой с фланцем

2

22

W26B-130-01

JOINT ASSY

Штуцер подачи топлива к топливному подкачивающему насосу

1

23

W25A-001-01

COUPLING ASSY (ASSEMBLED)

Муфта привода топливного насоса высокого давления в сборе

1

24

B00002084

HEXAGON BOLTS WITH FLANGE

Болт с шестигранной головкой с фланцем

4

25

B00004176

HEXAGON NUTS WITH FLANGE

Болт с шестигранной головкой с фланцем

5

26

B00000062

WOODRUFF KEY

Шпонка

2

27

W25A-002-02

SHAFT ASSY, FUEL INJECTION PUMP

Корпус вала привода топливного насоса высокого давления в сборе

1

28

B00001032

CIRCLIPS FOR BORES TYPE-A

Кольцо стопорное для отверстий (тип А)

1

29

B00001637

FRAMED STRUCTURE RUBBER OIL SEAL

Сальник вала привода топливного насоса высокого давления армированный

1

30

W25A-117-01

GASKET

Прокладка корпуса вала привода топливного насоса высокого давления

1

31

W25A-112-01

WASHER

Шайба

1

32

B774ZL-06-002

RETAINER SCREW

Болт

1

33

W25A-118-01

HEXAGON BOLTS WITH FLANGE

Болт с шестигранной головкой с фланцем

5

34

B00001815

COPPER WASHER

Шайба медная

12

35

B00002177

HINGE BOLT

Полый болт типа "банджо"

6

×

Оставить заявку

Защита от автоматических сообщений

Введите слово на картинке *

Заявка на ремонт оборудования

выбрать файл файл не выбран
выбрать файл файл не выбран
выбрать файл файл не выбран
Оставаясь на сайте, вы соглашаетесь на использование файлов куки и передачей данных службам веб-аналитики
Принять