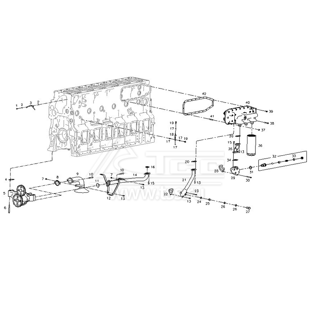
Масляная система SDEC SC33W1150D2

Масляная система SDEC SC33W1150D2

№ поз.

Номер

Description

Наименование

К-во

Примечание

1

B00002185

HINGE BOLT

Полый болт типа "банджо"

1

2

B00001854

COPPER WASHER

Шайба медная

2

3

W19A-007-01

FUEL INJECTION PIPE ASSY (WELDED)

Форсунка масляная

1

4

W15A-101-01

GASKET, OIL PUMP

Прокладка масляного насоса

2

5

W15A-001-01

OIL PUMP ASSY

Насос масляный в сборе

1

6

B00002035

HEXAGON BOLTS WITH FLANGE

Болт с шестигранной головкой с фланцем

4

7

B00000846

HEXAGON NUTS WITH FLANGE

Болт с шестигранной головкой с фланцем

2

8

W19A-118-01

GASKET

Прокладка всасывающей трубы масла

1

9

W19A-005-01

PIPE ASSY (WELDED), OIL SUCTION PUMP

Труба всасывающая масла

1

10

B00002024

HEXAGON BOLTS WITH FLANGE

Болт с шестигранной головкой с фланцем

4

11

B00001387

O-RING

Кольцо уплотнительное круглого сечения

1

12

W19A-123-01

BRACKET ,FUEL PIPE

Кронштейн всасывающей трубы масла

1

13

B00002137

HEXAGON BOLTS WITH FLANGE

Болт с шестигранной головкой с фланцем

8

14

W19A-006-02

OUTLET PIPE ASSY (WELDED), FUEL SUPPLY PUMP

Труба выходная масляного насоса

1

15

B00001999

HEXAGON BOLTS WITH FLANGE

Болт с шестигранной головкой с фланцем

4

16

B00004995

O-RING

Кольцо уплотнительное круглого сечения

1

17

B00001545

COMPOSITE HARD SEAL GASKET

Шайба уплотнительная композитная

4

18

W19A-003-01

OIL INLET WELDING ASSY

Трубка смазки подшипников вала топливного насоса высокого давления

1

19

B00002177

HINGE BOLT

Полый болт типа "банджо"

2

20

W19A-106-01

OIL INLET TUBE GASKET, OIL COOLER

Прокладка масляной трубы масляного теплообменника

2

21

W19A-001-01

OIL INLET WELDING ASSY., OIL COOLER

Труба масляная входная масляного теплообменника

1

22

W19A-108-01

GASKET, JOINT ELBOW

Прокладка углового фланца входной трубки масляного теплообменника

1

23

B00002158

HEXAGON BOLTS WITH FLANGE

Болт с шестигранной головкой с фланцем

1

24

B00001839

COPPER WASHER

Шайба медная

1

25

B00001707

HEXAGONAL SOCKET HEAD PLUG

Пробка резьбовая с внутренним шестигранником

1

26

B00001551

COMPOSITE HARD SEAL GASKET

Шайба уплотнительная композитная

2

27

B00002182

HINGE BOLT

Полый болт типа "банджо"

2

28

W02A-147-01

GASKET, OIL PRESSURE CONTROL VALVE SEAT

Прокладка корпуса редукционного клапана давления масла

1

29

W02A-142-01

OIL PRESSURE REGULATING VALVE SEAT

Корпус редукционного клапана равления масла

1

30

B00002165

HEXAGON BOLTS WITH FLANGE

Болт с шестигранной головкой с фланцем

5

31

B00004582

COMPOSITE HARD SEAL GASKET

Шайба уплотнительная композитная

1

32

W02A-002-01

PRESSURE REGULATOR ASSY

Клапан редукционный давления масла

1

33

B00001846

COPPER WASHER

Шайба медная

1

34

W19A-107-01

OIL OUTLET TUBE GASKET, OIL COOLER

Прокладка нижняя выходной масляной трубки масляного теплообменника

1

35

W19A-002-01

OIL OUTLET TUBE ASSY (WELDED), OIL COOLER

Труба масляная выходная масляного теплообменника

1

36

W18A-003-01

OIL FILTER ASSY

Фильтроэлемент масляный

3

37

B00000833

HEXAGON NUTS WITH FLANGE

Гайка шестигранная с фланцем

1

38

B00002022

HEXAGON BOLTS WITH FLANGE

Гайка шестигранная с фланцем

14

39

B00002004

HEXAGON BOLTS WITH FLANGE

Гайка шестигранная с фланцем

4

40

W18A-001-01

COVER ASSY, OIL COOLER

Крышка масляного теплообменника

1

41

B00001111

STUD

Шпилька

1

42

W02A-122-01

GASKET,  OIL COOLER

Прокладка масляного теплообменника

1

×

Оставить заявку

Защита от автоматических сообщений

Введите слово на картинке *

Заявка на ремонт оборудования

выбрать файл файл не выбран
выбрать файл файл не выбран
выбрать файл файл не выбран
Оставаясь на сайте, вы соглашаетесь на использование файлов куки и передачей данных службам веб-аналитики
Принять