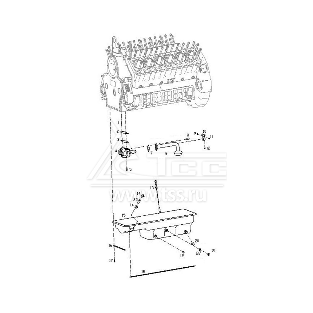
Масляный поддон SDEC SC27G900D2

Масляный поддон SDEC SC27G900D2

№ поз.

Номер

Description

Наименование

К-во

Примечание

1

B00000131

PARALLEL PINS

Штифт направляющий

2

2

771-15-012

GASKET

Прокладка масляного насоса

2

3

771-15-006

GASKET

Прокладка масляного насоса регулировочная

4

4

S00009486

OIL PUMP ASSY

Насос масляный в сборе

1

5

B00002001

HEXAGON BOLTS WITH FLANGE

Болт с шестигранной головкой с фланцем

4

6

S00008949

OIL SUCTION PIPE ASSY (WELDED)

Труба всасывающая масла

1

7

S00008960

GASKET, PIPE FLANGE-OIL SUCTION PUMP

Кронштейн маслоприемной трубки масла

1

8

B00004355

HEXAGON BOLTS WITH FLANGE

Болт с шестигранной головкой с фланцем

2

9

B00000843

HEXAGON NUTS WITH FLANGE-FINE PITCH THREAD

Гайка шестигранная с мелким шагом резьбы

1

10

S00008951

LIFTER, OIL SUCTION

Скоба подвесная всасывающей трубы масла

1

11

B00002114

HEXAGON BOLTS WITH FLANGE

Болт с шестигранной головкой с фланцем

1

12

B00002132

HEXAGON BOLTS WITH FLANGE

Болт с шестигранной головкой с фланцем

2

13

S00026341

OIL DIPSTICK ASSY

Щуп масла в сборе

1

14

B00001565

CLAMP

Хомут

2

15

S00021573

OIL PAN ASSY (WELDED)

Поддон масляный в сборе

1

16

771-03-003

GASKET

Планка прижимная

2

17

B00002134

HEXAGON BOLTS WITH FLANGE

Болт с шестигранной головкой с фланцем

36

18

771-03-002

GASKET

Планка прижимная

2

19

B00001716

TAPPERED SCREW PLUG OF SQUARE TOES

Заглушка резьбовая коническая с квадратной головкой

1

20

B00001721

SQUARE HEAD CONE PLUG SCREW

Заглушка резьбовая коническая с квадратной головкой

1

21

B00001707

HEXAGONAL SOCKET HEAD PLUG

Резбовая пробка с внутренним шестигранником

1

22

B00001839

COPPER WASHER

Шайба  медная

1

23

S00021574

HOSE

Рукав соединительный

1

×

Оставить заявку

Защита от автоматических сообщений

Введите слово на картинке *

Заявка на ремонт оборудования

выбрать файл файл не выбран
выбрать файл файл не выбран
выбрать файл файл не выбран
Оставаясь на сайте, вы соглашаетесь на использование файлов куки и передачей данных службам веб-аналитики
Принять