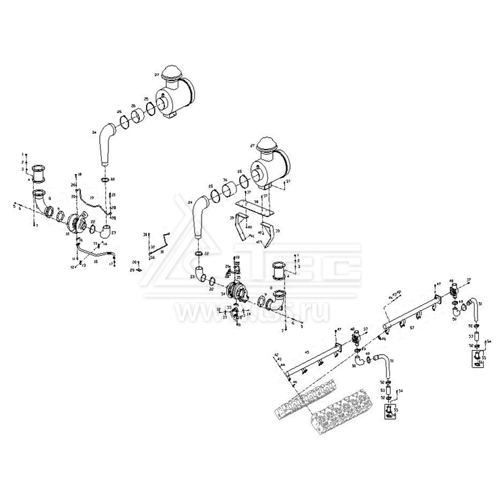
Воздушные фильтры, турбокомпрессоры и водяные коллекторы SDEC SC27G900D2

Воздушные фильтры, турбокомпрессоры и водяные коллекторы SDEC SC27G900D2

№ поз.

Номер

Description

Наименование

К-во

Примечание

1

B00000773

HEXAGON NUTS, STYLE 1

Гайка шестигранная

16

2

B00001240

SINGLE COIL SPRING LOCK WASHERS, NORMAL TYPE

Шайба пружинная

16

3

B00001279

PLAIN WASHER

Шайба

16

4

B774ZL-13-030

EXPANSION CONNECTOR

Компенсатор сильфонный

2

5

D13-108-50

HEXAGON NUTS WITH FLANGE-FINE PITCH THREAD

Гайка шестигранная с мелким шагом резьбы

12

6

S00003525

EXHAUST MANIFOLD STUD

Шпилька выхлопного коленчатого патрубка турбокомпрессора

12

7

B00000429

HEXAGON HEAD BOLT

Болт с шестигранной головкой

16

8

S00013640

EXHAUST ELBOW

Патрубок выхлопной коленчатый турбокомпрессора

2

9

S00014562

GASKET, OUTLET-TURBINE

Прокладка выхлопного коленчатого патрубка турбокомпрессора

2

10

S00020298

TURBOCHARGER ASSY

Турбокомпрессор левый в сборе

1

11

B00001997

HEXAGON BOLTS WITH FLANGE

Болт с шестигранной головкой с фланцем

4

12

B00002114

HEXAGON BOLTS WITH FLANGE

Болт с шестигранной головкой с фланцем

2

13

D19-003-01A

CLAMP

Скоба прижимная

4

14

B00000843

HEXAGON NUTS WITH FLANGE-FINE PITCH THREAD

Гайка шестигранная точная

2

15

S00012776

OIL RETURN PIPE ASSY (WELDED), TURBOCHARGER

Трубка слива масла из левого турбокомпрессора

1

16

S00001805

TURBOCHARGER OIL RETURN TUBE GASKET

Прокладка трубки слива масла из турбокомпрессора

2

17

D02A-172-900

O-RING

Кольцо уплотнительное круглого сечения

4

18

B00002179

HINGE BOLT

Полый болт типа "банджо"

2

19

S00012778

OIL INLET PIPE ASSY (WELDED), TURBOCHARGER

Трубка подачи масла в левый турбокомпрессор

1

20

B00001823

COPPER WASHER

Шайба медная

7

21

771Z-17-001A

JOINT SCREW

Болт соединительный

1

22

B00001583

CLAMP

Хомут

4

23

S00014893

COMPRESSOR INLET PIPE

Рукав соединительный

2

24

S00014887

AIR INLET PIPE, TURBOCHARGER

Патрубок воздушного фильтра

2

25

B00001562

CLAMP

Хомут

4

26

S00014896

AIR FILTER OUTLET HOSE

Рукав соединительный

1

27

KLB-14G-000

AIR FILTER GROUP

Фильтр воздушный в сборе

2

28

B00001996

HEXAGON BOLTS WITH FLANGE

Болт с шестигранной головкой с фланцем

1

29

S00010941

FIXING  BLOCK

Скоба прижимная

1

30

B00002221

BANJO BOLT

Полый болт углового соединения

1

31

B774ZL-19-002

OIL PIPE

Трубка масляная

1

32

B00001814

COPPER WASHER

Шайба медная

2

33

S00012775

OIL RETURN PIPE ASSY (WELDED), TURBOCHARGER

Трубка слива масла из правого турбокомпрессора

1

34

S00020297

TURBOCHARGER ASSY

Турбокомпрессор правый в сборе

1

35

S00012777

OIL INLET PIPE ASSY (WELDED), TURBOCHARGER

Трубка подачи масла в правый турбокомпрессор

1

36

S00014895

AIR FILTER OUTLET HOSE

Рукав соединительный

1

37

B00002137

HEXAGON BOLTS WITH FLANGE

Болт с шестигранной головкой с фланцем

20

38

S00009119

CONNECTING PLATE, ARI FILTER BRACKET

Пластина установочная воздушных фильтров

1

39

S00009096

AIR FILTER BRACKET SUPPORT

Кронштейн установочной пластины воздушных фильтров

2

40

B00000847

HEXAGON NUTS WITH FLANGE-FINE PITCH THREAD

Гайка шестигранная точная

12

41

B00002132

HEXAGON BOLTS WITH FLANGE

Болт с шестигранной головкой с фланцем

8

42

B00001891

SMALL HEXAGONAL NUT

Гайка шестигранная

24

43

B00001253

SINGLE COIL SPRING LOCK WASHERS, NORMAL TYPE

Шайба пружинная

24

44

B00001136

STUD

Шпилька

24

45

S00009378

WATET OUTLET PIPE WELDING (RIGHT SIDE),CYLINDER HEAD

Коллектор выходной водяной правой головки цилиндров

1

46

S00009825

WATER OUTLET PIPE GASKET, CYLINDER HEAD

Прокладка выходного водяного коллектора головки цилиндров

12

47

B00001693

INNER HEXAGON TAPERED SCREW PLUG

Пробка резьбовая коническая

2

48

S00026185

THERMOSTAT ASSY

Термостат в сборе

2

49

B00001575

CLAMP

Хомут

4

50

S00009971

INLET HOSE, WATER PUMP

Рукав соединительный

2

51

S00014898

INLET PIPE, WATER PUMP

Патрубок возврата воды к водяному насосу

2

52

B00001573

CLAMP

Хомут

4

53

B00002391

RUBBER HOSE, WATER

Рукав соединительный

2

54

B00004351

HEXAGON BOLTS WITH FLANGE

Болт с шестигранной головкой с фланцем

4

55

S00014899

WATER PUMP INLET CONNECTING TUBE

Штуцер возврата воды к водяному насосу

2

56

S00009972

WATER PUMP INLET TUBE GASKET

Прокладка штуцера возврата воды к водяному насосу

2

57

S00009380

WATET OUTLET PIPE WELDING (LEFT SIDE),CYLINDER HEAD

Коллектор выходной водяной левой головки цилиндров

1

×

Оставить заявку

Защита от автоматических сообщений

Введите слово на картинке *

Заявка на ремонт оборудования

выбрать файл файл не выбран
выбрать файл файл не выбран
выбрать файл файл не выбран
Оставаясь на сайте, вы соглашаетесь на использование файлов куки и передачей данных службам веб-аналитики
Принять