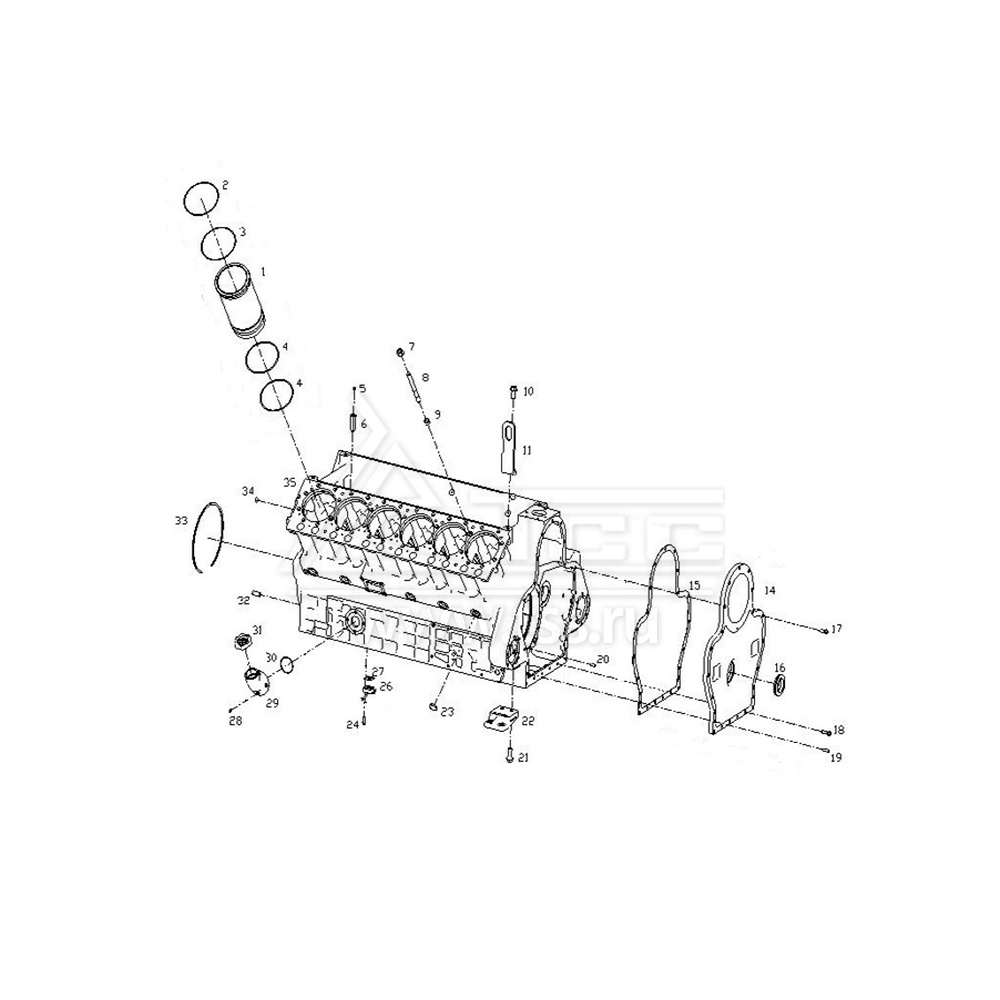
Блок цилиндров SDEC SC27G900D2

Блок цилиндров SDEC SC27G900D2

№ поз.

Номер

Description

Наименование

К-во

Примечание

1

S00009530

CYLINDER LINER

Гильза цилиндра

12

2

S00010059

CYLINDER LINER SHIM (0.20)

Кольцо регулировочное 0,20 мм

12

3

S00010060

CYLINDER LINER SHIM (0.23)

Кольцо регулировочное 0,23 мм

12

4

761-02-003B

SEAL, CYLINDER LINER

Кольцо уплотнительное

24

5

B00004646

HEXAGON COUNTERSUNK CONE PLUG SCREW

Пробка резьбовая конеческая с шестигранной головкой

1

6

S00015126

CONNECTOR

Штуцер

1

7

S00008189

NUT, CYLINDER HEAD

Гайка головки цилиндра

76

8

S00008188

BOLT, CYLINDER HEAD

Шпилька головки цилиндра

76

9

761W-02-064A

RETAINER SLEEVE

Втулка проставочная

4

10

B00002097

HEXAGON BOLTS WITH FLANGE

Болт с шестигранной головкой с фланцем

2

11

A771Z-02-002

EYE PLATE

Рым подъема двигателя

2

14

S00010156

GEAR HOUSING COVER PLATE

Крышка камеры приводных шестерен

1

15

771-02-003

GASKET, FRONT COVER

Прокладка крышки камеры приводных шестерен

1

16

761-02-104

CRANKSHAFT SEAL, FRONT

Сальник коленчатого вала передний

1

17

B00002001

HEXAGON BOLTS WITH FLANGE

Болт с шестигранной головкой с фланцем

5

18

B00002004

HEXAGON BOLTS WITH FLANGE

Болт с шестигранной головкой с фланцем

8

19

B00001655

PARALLEL PINS

Штифт направляющий

2

20

B00001653

PARALLEL PINS

Штифт направляющий

1

21

B00002098

HEXAGON BOLTS WITH FLANGE

Болт с шестигранной головкой с фланцем

4

22

S00012361

FRONT ENGINE SUPPORT

Опора двигателя передняя

2

23

761G-04-052D

PLUG

Пробка

10

24

B00001477

TWELVE-POINT BOLT

Болт с 12-гранной головкой

12

26

B774ZL-02-020B

NOZZLE ASSY (WELDED), INJECTOR

Форсунка охлаждения поршней

6

27

B774ZL-02-005

GASKET, NOZZLE-INJECTOR

Прокладка форсунки охлаждения поршней

6

28

B00002134

HEXAGON BOLTS WITH FLANGE

Болт с шестигранной головкой с фланцем

4

29

S00014680

PIPE ELBOW, OIL FILLER

Горловина маслозаливная

1

30

D12-314-01

O-RING

Кольцо уплотнительное круглого сечения

1

31

S00018399

COVER ASSY, OIL FILLER

Крышка маслозаливной горловины в сборе

1

32

B00000106

PARALLEL PINS

Штифт направляющий

1

33

761-02-043A

SPRING, LOCK

Кольцо стопорное пружинное коренного подшипника коленчатого вала

13

34

B00004583

EXPANSION PLUG

Пробка

1

35

S00010263

CYLINDER BLOCK

Блок цилиндров

1

×

Оставить заявку

Защита от автоматических сообщений

Введите слово на картинке *

Заявка на ремонт оборудования

выбрать файл файл не выбран
выбрать файл файл не выбран
выбрать файл файл не выбран
Оставаясь на сайте, вы соглашаетесь на использование файлов куки и передачей данных службам веб-аналитики
Принять