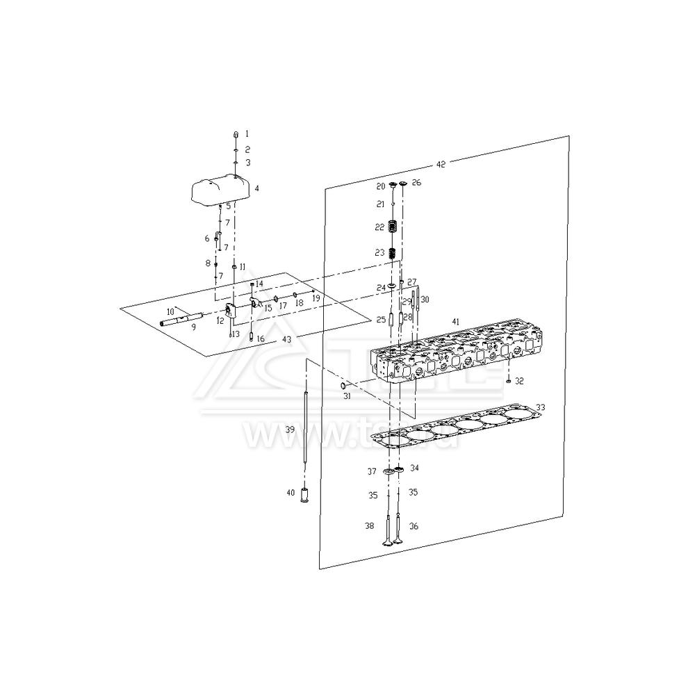
Головки цилиндров и клапанные механизмы SDEC SC27G830D2

Головки цилиндров и клапанные механизмы SDEC SC27G830D2

№ поз.

Номер

Description

Наименование

К-во

Прим.

1

761G-04-092C+A

CAP NUT

Гайка колпачковая крышки головки цилиндров

12

2

761G-04-078A+A

WASHER

Шайба

12

3

761G-04-079A+A

GASKET

Прокладка

12

4

761G-04-120+A

VALVE COVER AND SEAL RING

Крышка головки цилиндров с уплотнением в сборе

6

5

B00002231

BANJO BOLT

Полый болт типа "банджо"

6

6

765IA-04-020A+A

OIL FILLER TUBE SERVICE GROUP

Трубка подачи масла к оси коромысел клапанов

6

7

B00001855

COPPER WASHER

Шайба медная

18

8

765IA-04-003+A

NIPPLE

Штуцер подачи масла к оси коромысел клапанов

6

9

S00010081+01

ROCKER SHAFT

Ось коромысел клапанов

6

10

B00000114

PIN

Штифт

1

11

B00000836

NUT

Гайка стойки оси коромысел клапанов

24

12

S00010082+01

ROCKER SEAT

Стойка оси коромысел клапанова

12

13

B00000122

PIN

Штифт направляющий

12

14

B00000799

HEXAGON NUT (TYPE 1)

Гайка шестигранная

24

15

771JZ-04-030+B

ROCKER ARM ASSY (MACHINED)

Коромысло клапана

24

16

761-04-024B+B

VALVE LASH ADJUSTER

Винт регулировочный коромысла клапана

24

17

S00008931+01

COMPRESSION SPRING

Пружина разделительная коромысел клапанов

24

18

B00004814

AXES RETAINER FOR HOLE (TYPE A)

Кольцо стопорное для отверстия

24

19

B00001696

HEXAGON COUNTERSUNK CONE PIPE PLUG

Пробка резьбовая коническая с шестигранной головкой

12

20

761JZ-04-003+A

INTAKE SPRING, INTAKE

Тарелка пружины впускного клапана

6

21

761-04-034A+B

VALVE COLLET

Сухарь клапана

24

22

763C-04-007A+A

VALVE SPRING (LARGE)

Пружина клапана внешняя

12

23

763C-04-006A+A

VALVE SPRING (SMALL)

Пружина клапана внутренняя

12

24

761Z-04-060+A

VALVE CIRCUMGYRATE ASSY

Тарелка подшипниковая впускного клапана нижняя

6

25

761Z-04-008A+A

INTAKE VALVE GUIDE

Втулка направляющая впускного клапана

6

26

763C-04-013+B

INTAKE SPRING, INTAKE

Тарелка пружины выпускного клапана

6

27

761G-04-104A+A

EXHAUST VALVE STEM SEAL

Манжета уплотнительная выпускного клапана

6

28

761G-04-101A+A

 VALVE GUIDE

Втулка направляющая выпускного клапана

6

29

B00001131

STUD

Шпилька стойки оси коромысел клапанов

6

30

761W-04-008B+A

STUD

Шпилька стойки оси коромысел клапанов

6

31

761G-04-052D+A

PLUG

Пробка

8

32

761G-04-073A+A

ELASTIC

Втулка эластичная

6

33

S00011414+01

CYLINDER HEAD GASKET

Прокладка головки цилиндров

2

34

S00008616+01

EXHAUST VALVE SEAT INSERT

Седло выпускного клапана

6

35

761G-04-091A+A

SPRING LOCK

Стопор пружинный

12

36

G04-104-02+B

EXHAUST VALVE

Клапан выпускной

6

37

S00008615+01

INTAKE VALVE SEAT INSERT

Седло впускного клапана

6

38

A761Z-04-004+A

INTAKE VALVE

Клапан впускной

6

39

761G-04-050C+A

PUSH ROD ASSY (WELDED)

Штанга толкателя

24

40

G04-101-01+B

TAPPET

Толкатель

24

41

S00010658+05

CYLINDER HEAD (MACHINED)

Головка цилиндров мехобработанная

2

42

S00010086+02

CYLINDER HEAD SERVICE GROUP

Головка цилиндров в сборе

2

43

S00010112+01

ROCKER ARM AND SHAFT ASSY

Комплект оси коромысел в сборе

6

×

Оставить заявку

Защита от автоматических сообщений

Введите слово на картинке *

Заявка на ремонт оборудования

выбрать файл файл не выбран
выбрать файл файл не выбран
выбрать файл файл не выбран
Оставаясь на сайте, вы соглашаетесь на использование файлов куки и передачей данных службам веб-аналитики
Принять