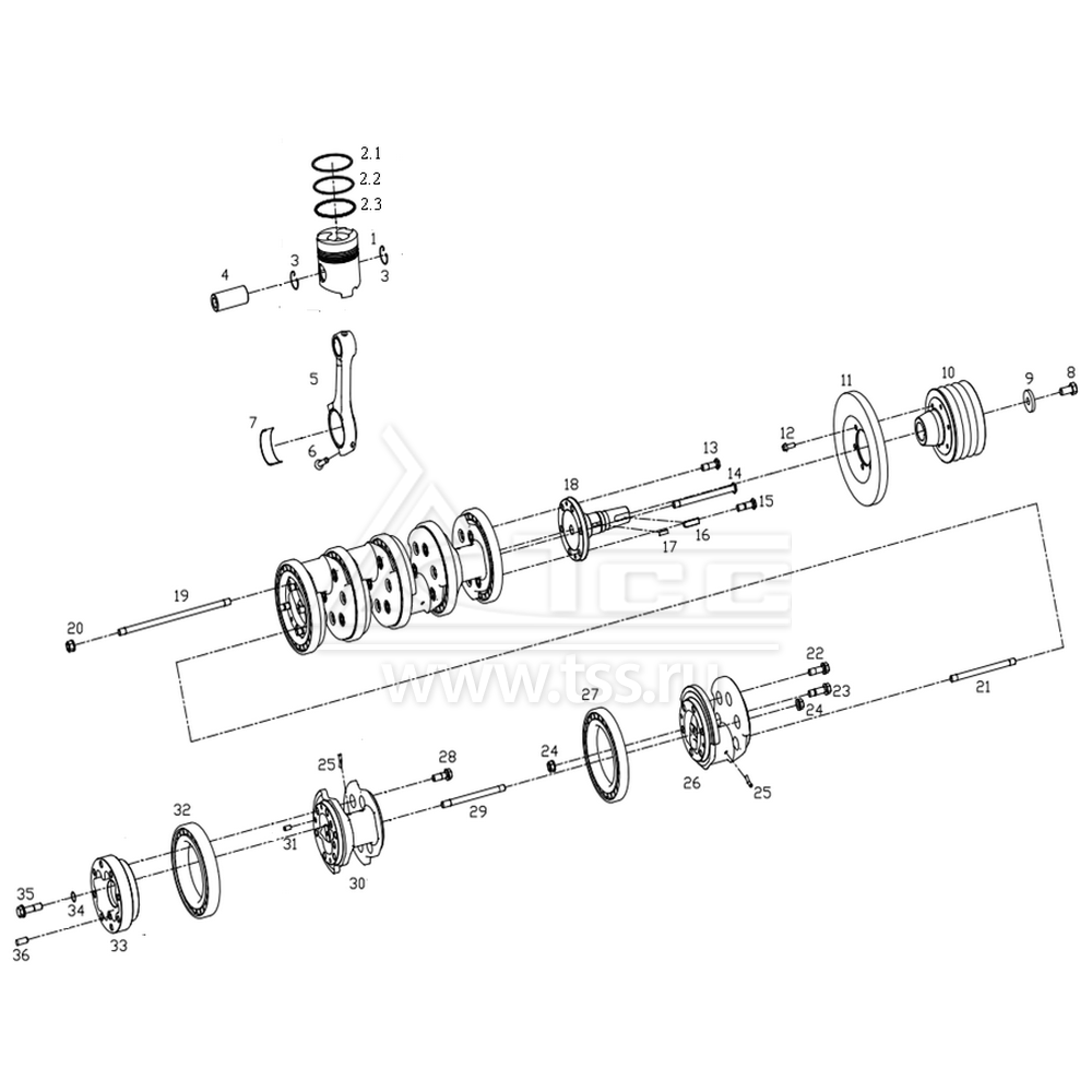
Поршни, шатуны и коленчатый вал SDEC SC27G755D2

Поршни, шатуны и коленчатый вал SDEC SC27G755D2

№ поз.

Номер

Description

Наименование

К-во

Примечание

1

S00009615

PISTON

Поршень

12

 2.1

S00009738

TOP RING, PISTON

Кольцо поршневое 1 компрессионное

12

 2.2

G05-108-03

INTERMEDIATE RING, PISTON

Кольцо поршневое 2 компрессионное

12

 2.3

G05-002-03

PISTON OIL CONTROL RING ASSY

Кольцо поршневое маслосъемное

12

3

A761-05-005

LOCK SPRING

Кольцо стопорное

24

4

A761-05-004

PIN, PISTON

Палец поршневой

12

5

S00010676

CONNECTING ROD (MACHINED)

Шатун

12

6

S00010783

BOLT, CONNECTING ROD

Болт крышки подшипника нижней головки шатуна

24

7

B774ZLA-05-002

BEARING, CONNECTING ROD

Вкладыш подшипника нижней головки шатуна

24

8

771-06-021A

BOLT

Болт шкива коленчатого вала

1

9

771-06-022

GASKET

Шайба прижимная шкива коленчатого вала

1

10

S00009746

PULLEY, CRANKSHAFT

Шкив коленчатого вала

1

11

B774ZLA-06-050

CRANKSHAFT DAMPER ASSY

Гаситель крутильных колебаний в сборе

1

12

B00004362

HEXAGON BOLTS WITH FLANGE

Болт с шестигранной головкой с фланцем

6

13

A774ZL-06-004

FIXING BOLT

Болт

2

14

A774ZL-06-009

FIXING BOLT

Болт

1

15

A774ZL-06-011

RETAINER SCREW

Болт

3

16

B00000041

SQUARE AND RECTANGULAR KEYS

Шпонка

1

17

B00000055

WOODRUFF KEY

Шпонка

1

18

B774ZL-06-006

FRONT BEARING

Вал фланцевый коленчатого вала передний

1

19

B774ZL-06-008

FIXING BOLT

Шпилька соединительная

1

20

B774ZL-06-009

NUT

Гайка

2

21

A774ZL-06-006

STUD

Шпилька соединительная

2

22

B774ZL-06-001

FIXING BOLT

Болт

6

23

B774ZL-06-002

RETAINER SCREW

Болт

15

24

B774ZL-06-003

NUT

Гайка

32

25

761G-06-013A

FUEL PIPE

Трубка масляного канала шатунной шейки звена коленчатого вала

12

26

B774ZLA-06-003

CRANK

Звено коленчатого вала в сборе

5

27

A774ZL-06-017

ROLLER BEARING

Подшипник роликовый

6

28

S00010186

FIXING BOLT, CRANKSHAFT AND FLANGE

Болт

5

29

S00010184

STUD

Шпилька соединительная

1

30

S00010238

CRANK

Звено коленчатого вала заднее

1

31

B00000102

PARALLEL PINS

Штифт направляющий

1

32

B774ZLA-06-002

ROLLER BEARING

Подшипник роликовый

1

33

S00010234

REAR FLANGE, CRANKSHAFT

Фланец коленчатого вала задний

1

34

B774ZLA-06-011

SEAL RING

Кольцо уплотнительное

2

35

S00010187

FIXING BOLT, CRANKSHAFT AND FLANGE

Болт заднего фланца коленчатого вала

2

36

B00000106

PARALLEL PINS

Штифт направляющий

1

×

Оставить заявку

Защита от автоматических сообщений

Введите слово на картинке *

Заявка на ремонт оборудования

выбрать файл файл не выбран
выбрать файл файл не выбран
выбрать файл файл не выбран
Оставаясь на сайте, вы соглашаетесь на использование файлов куки и передачей данных службам веб-аналитики
Принять