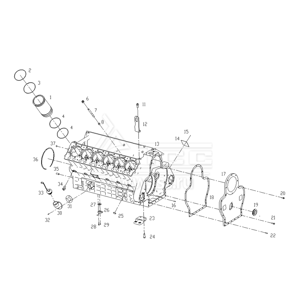
Блок цилиндров SDEC SC25G690D2

Блок цилиндров SDEC SC25G690D2

№ поз.

Номер

Description

Наименование

К-во

Прим.

1

S00009530

CYLINDER LINER

Гильза цилиндра

12

2

S00010059

CYLINDER LINER SHIM (0.20)

Кольцо регулировочное 0,20 мм

12

3

S00010060

CYLINDER LINER SHIM (0.23)

Кольцо регулировочное 0,23 мм

12

4

761-02-003B

SEAL

Кольцо уплотнительное

24

6

S00008189

CYLINDER HEAD NUT

Гайка головки цилиндров

76

7

S00008188

CYLINDER HEAD BOLT

Шпилька головки цилиндров

76

8

761W-02-064A

RETAINER SLEEVE

Втулка проставочная

4

11

B00002097

BOLT

Болт

2

12

A771Z-02-002

EYE PLATE

Рым подъема двигателя

2

13

S00010263

CYLINDER BLOCK

Блок цилиндров

1

14

771-02-031D

NAMEPLATE

Табличка

1

15

B00000958

NAMEPLATE RIVET

Заклёпка таблички

4

16

B00001653

PIN

Штифт направляющий

1

17

S00010156

GEAR HOUSING COVER

Крышка картера приводных шестерен

1

18

771-02-003

GASKET, FRONT COVER

Прокладка крышки камеры приводных шестерен

1

19

761-02-104

CRANKSHAFT FRONT SEAL

Сальник коленчатого вала передний

1

20

B00002001

BOLT

Болт

5

21

B00002004

BOLT

Болт

8

22

B00001655

PIN

Штифт направляющий

2

23

S00012361

FRONT ENGINE SUPPORT

Опора двигателя передняя

2

24

B00002098

BOLT

Болт

4

25

761G-04-052D

PLUG

Заглушка

10

26

B774ZL-02-020B

INJECTOR NOZZLE

Форсунка охлаждения поршней

6

27

B774ZL-02-005

GASKET, NOZZLE-INJECTOR

Прокладка форсунки охлаждения поршней

6

28

B00001477

12-POINT HEAD BOLT WITH FLANGE

Болт с 12-гранной головкой с фланцем

12

29

B00000119

PIN

Штифт направляющий

12

30

D02B-110-01

OIL FILLER ELBOW

Горловина маслозаливная

1

31

D02B-109-02

COVER GASKET

Прокладка маслозаливной горловины

1

32

B00002114

BOLT

Болт

4

33

D02A-006-01A

COVER ASSY, OIL FILLER

Клышка маслозаливной горловины

1

34

771-02-080

VALVE ASSY

Кран сливной воды

2

35

B00001660

PIN

Штифт направляющий

1

36

761-02-043A

SPRING LOCK

Кольцо стопорное пружинное коренного подшипника коленчатого вала

13

37

B00004583

PLUG

Заглушка

1

×

Оставить заявку

Защита от автоматических сообщений

Введите слово на картинке *

Заявка на ремонт оборудования

выбрать файл файл не выбран
выбрать файл файл не выбран
выбрать файл файл не выбран
Оставаясь на сайте, вы соглашаетесь на использование файлов куки и передачей данных службам веб-аналитики
Принять