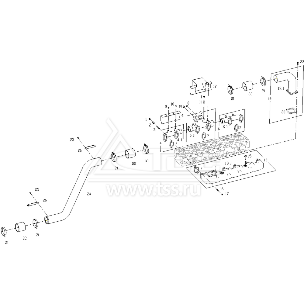
Впускной и выпускной коллекторы SDEC SC15G500D2

Впускной и выпускной коллекторы SDEC SC15G500D2

№ поз.

Номер

Description

Наименование

К-во

Примечание

1

D13-304-01

TURBOCHARGER SELF-LOCKING NUT

Гайка турбокомпрессора самоконтрящаяся

16

2

765Z-04-001

SLEEVE PIPE

Проставка

12

3

S00008414

STUD

Шпилька

12

 4.1

S00010533

EXHAUST MANIFOLD FRONT PART

Коллектор выпускной (передняя часть)

1

 5.1

S00010535

EXHAUST MANIFOLD INTERMEDIATE PART

Коллектор выпускной (средняя часть)

1

 6.1

S00010534

EXHAUST MANIFOLD REAR PART

Коллектор выпускной (задняя часть)

1

7

761G-04-015A

GASKET, EXHAUST MANIFOLD

Прокладка выпускного коллектора

6

8

B00002129

BOLT

Болт

6

9

S00010540

HEAT SHIELD, EXHAUST MANIFOLD

Кожух термозащитный

2

10

B00001716

SQUARE HEAD CONE PIPE PLUG

Пробка резьбовая коническая с 4-гранной головкой

2

11

S00001481

TURBOCHARGER STUD

Шпилька турбокомпрессора

4

12

S00010541

HEAT SHIELD, EXHAUST MANIFOLD

Кожух термозащитный

1

 13.1

S00012166

AIR INTAKE PIPE

Коллектор впускной

1

14

761G-04-014B

GASKET, AIR INTAKE PIPE

Прокладка впускного коллектора

6

15

761G-12-004

PLUG

Пробка

1

16

B00001100

STUD

Шпилька

12

17

B00000833

NUT

Гайка

12

18

B00004368

BOLT

Болт

2

 19.1

S00013849

INTERCOOLER AIR OUTLET PIPE

Патрубок выходной интеркулера

1

20

S00012075

GASKET

Прокладка

1

21

B00001532

DEFAULT

Хомут

6

22

S00003850

AIR INTAKE HOSE

Рукав входной интеркулера

3

23

B00002003

BOLT

Болт

4

24

S00013863

AIR INLET PIPE, INTERCOOLER

Патрубок входной интекулера

1

25

B00002133

BOLT

Болт

4

26

S00012956

CONNECTING BAR, COMPRESSOR OUTLET PIPE

Пластина соединительная

2

×

Оставить заявку

Защита от автоматических сообщений

Введите слово на картинке *

Заявка на ремонт оборудования

выбрать файл файл не выбран
выбрать файл файл не выбран
выбрать файл файл не выбран
Оставаясь на сайте, вы соглашаетесь на использование файлов куки и передачей данных службам веб-аналитики
Принять