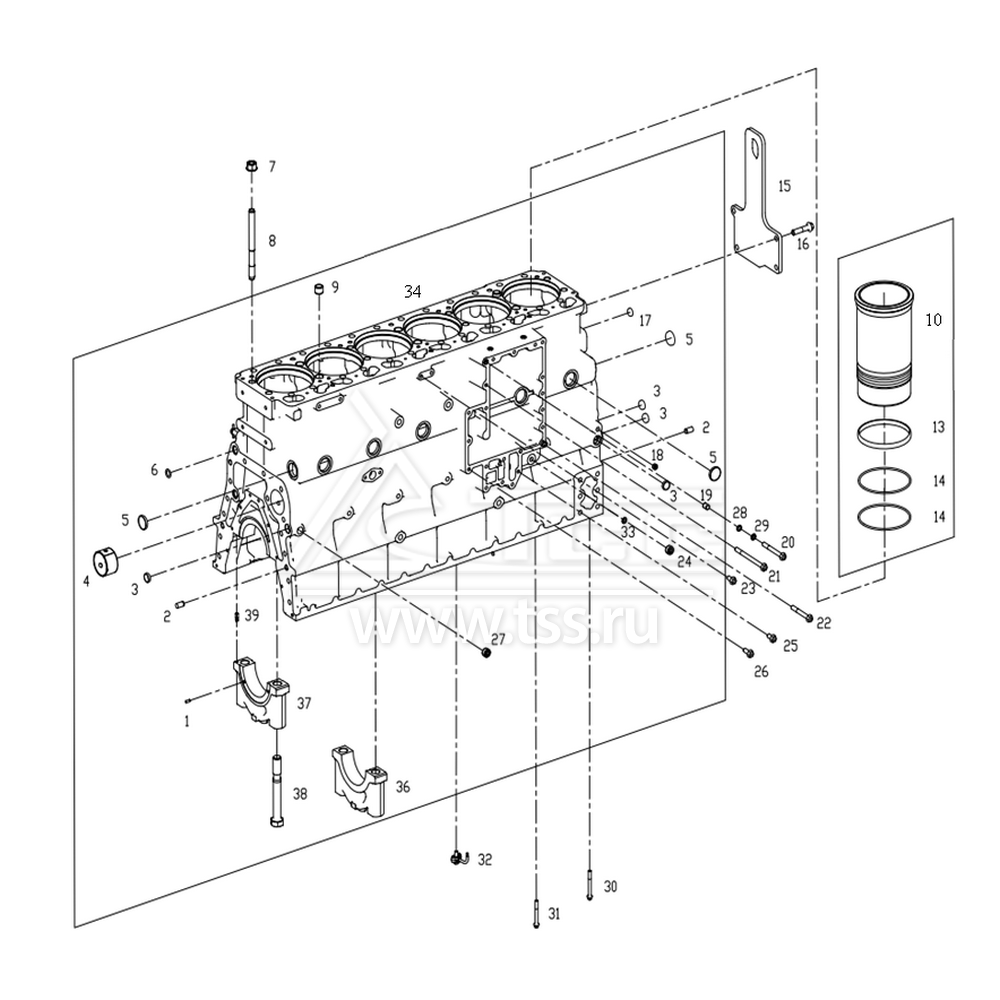
Блок цилиндров SDEC SC13G420D2

Блок цилиндров SDEC SC13G420D2

№ поз.

Номер

Description

Наименование

К-во

Примечание

1

B00000118

PARALLEL PINS

Штифт центрирующий

4

2

B00000102

PARALLEL PINS

Штифт центрирующий

4

3

G02-173-01

PLUG

Заглушка

4

4

G02-115-01

CAMSHAFT BEARING

Подшипник распределительного вала

7

5

761G-04-052D

PLUG

Заглушка

7

6

B00000297

O-RING

Кольцо уплотнительное круглого сечения

2

7

S00008189

CYLINDER HEAD NUT

Гайка головки цилиндров

38

8

S00008188

CYLINDER HEAD BOLT

Шпилька головки цилиндров

38

9

761W-02-064A

RETAINER SLEEVE

Втулка

2

10

G02-102-01

CYLINDER LINER

Гильза цилиндра

6

13

G02-117-01

SEAL, CYLINDER LINER

Кольцо уплотнительное гильзы цилиндра

6

14

761-02-003B

SEAL, CYLINDER LINER

Кольцо уплотнительное гильзы цилиндра

12

15

S00010124

ENGINE LIFTING EYE

Рым подъема двигателя передний

1

16

B00002066

HEXAGON BOLTS WITH FLANGE

Болт с шестигранной головкой с фланцем

4

17

D02A-161-01

PLUG

Заглушка

1

18

B00001697

HEXAGON COUNTERSUNK CONE PIPE PLUG

Заглушка резьбовая потайная

5

19

S00001515

RETAINER SLEEVE

Втулка упорная

2

20

B00000412

HEXAGON HEAD BOLT

Болт с шестигранной головкой

1

21

B00001993

HEXAGON BOLTS WITH FLANGE

Болт с шестигранной головкой с фланцем

3

22

B00004890

HEXAGON BOLTS WITH FLANGE

Болт с шестигранной головкой с фланцем

10

23

B00001996

HEXAGON BOLTS WITH FLANGE

Болт с шестигранной головкой с фланцем

2

24

B00001725

HEXAGONAL HEAD SCREW PLUG

Заглушка резьбовая с шестигранной головкой

1

25

B00001999

HEXAGON BOLTS WITH FLANGE

Болт с шестигранной головкой с фланцем

1

26

B00002001

HEXAGON BOLTS WITH FLANGE

Болт с шестигранной головкой с фланцем

6

27

B00001695

HEXAGON COUNTERSUNK CONE PIPE PLUG

Заглушка резьбовая потайная

1

28

B00001275

PLAIN WASHER

Шайба плоская

1

29

B00001237

SPRING WASHER

Шайба пружинная

1

30

B00002161

HEXAGON BOLTS WITH FLANGE

Болт с шестигранной головкой с фланцем

2

31

B00002158

HEXAGON BOLTS WITH FLANGE

Болт с шестигранной головкой с фланцем

4

32

S00006214

PISTON-COOLING ORIFICE ASSY

Форсунка масляная охлаждения поршня в сборе

6

33

B00001821

COPPER WASHER

Шайба медная

1

34

S00011483

CYLINDER BLOCK ASSY (MACHINED)

Блок цилиндров

1

36

G02-109-01A

MAIN BEARING CAP

Крышка коренного подшипника коленчатого вала

6

37

G02-110-01A

CAP, THRUST BEARING

Крышка коренного и упорного подшипников коленчатого вала

1

38

G02-111-01

BOLT, MAIN BEARING

Болт крышки коренного подшипника коленчатого вала

14

39

G02-134-01

DOWEL PIN 

Штифт направляющий

1

×

Оставить заявку

Защита от автоматических сообщений

Введите слово на картинке *

Заявка на ремонт оборудования

выбрать файл файл не выбран
выбрать файл файл не выбран
выбрать файл файл не выбран
Оставаясь на сайте, вы соглашаетесь на использование файлов куки и передачей данных службам веб-аналитики
Принять