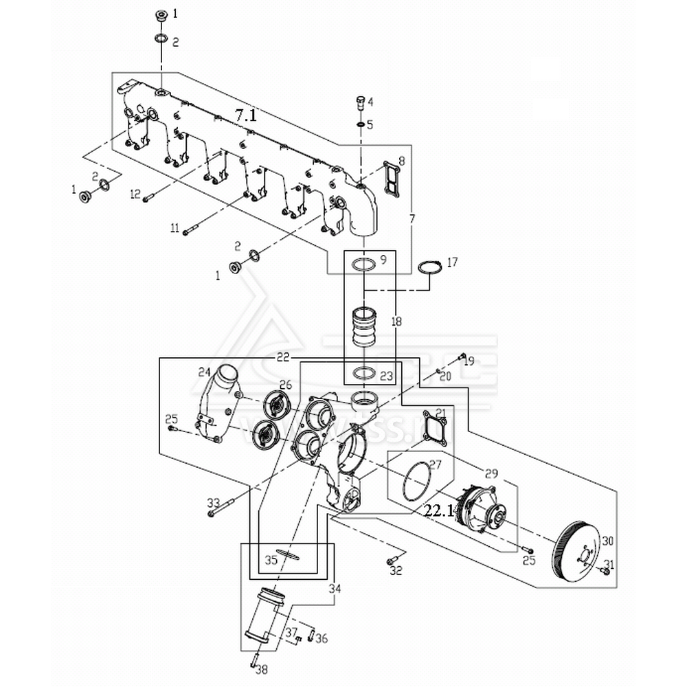
Водяной коллектор и термостат SDEC SC12E460D2

Водяной коллектор и термостат SDEC SC12E460D2

№ поз.

Номер

Description

Наименование

К-во

Примечание

1

B00001707

BOLT

Болт

3

2

B00001840

GASKET

Прокладка

3

4

B00001704

BANJO BOLT

Полый болт типа "банджо"

1

5

B00001828

GASKET

Прокладка

1

 7.1

S00002581

WATER RETURN MANIFOLD

Коллектор водяной выходной

1

8

S00002920

WATER RETURN MANIFOLD GASKET

Прокладка выходного водяного коллектора

6

9

S00006560

O-RING

Кольцо уплотнительное круглого сечения

1

11

B00004374

BOLT

Болт

12

12

B00004163

BOLT

Болт

12

17

B00004684

RING RETAINER

Кольцо стопорное

1

18

S00002101

CONNECTOR ASSY,  WATER RETURN PIPE

Комплект соединительного патрубка выходного водяного коллектора

1

Вкл.поз. 9, 18, 23

19

B00005091

hexagonal head screw plug

Пробка резьбовая с шестигранной головкой

1

20

B00001821

GASKET

Прокладка

1

21

S00006230

WATER PUMP OUTLET GASKET

Прокладка выхода водяного насоса

1

22

S00004471

WATER PUMP GROUP

Водяной насос

1

Вкл.поз. 21, 22.1, 23-27, 29-31

23

S00006561

O-RING

Кольцо уплотнительное круглого сечения

1

24

S00005125

COVER, THERMOSTAT

Крышка термостатов

1

25

B00004632

BOLT

Болт

6

26

S00001850

THERMOSTAT ASSY

Термостат (элемент)

2

27

S00002273

O-RING

Кольцо уплотнительное круглого сечения

1

29

S00006832

WATER PUMP IMPELLER AND SHAFT GROUP

Крыльчатка и вал водяного насоса

1

Вкл.поз. 27, 29

30

S00002558

WATER PUMP PULLEY

Шкив водяного насоса

1

31

B00004161

BOLT

Болт

4

32

B00004352

SIX ANGLE BOLT FLANGE

Болт с шестигранной головкой с фланцем

3

33

B00004669

SIX ANGLE BOLT FLANGE

Болт с шестигранной головкой с фланцем

3

35

B00004827

O-RING

Кольцо уплотнительное круглого сечения

1

36

B00002138

SIX ANGLE BOLT FLANGE

Болт с шестигранной головкой с фланцем

2

37

B00000846

SIX ANGLE BOLT FLANGE

Гайка шестигранная с фланцем

2

38

B00002142

SIX ANGLE BOLT FLANGE

Болт с шестигранной головкой с фланцем

2

×

Оставить заявку

Защита от автоматических сообщений

Введите слово на картинке *

Заявка на ремонт оборудования

выбрать файл файл не выбран
выбрать файл файл не выбран
выбрать файл файл не выбран
Оставаясь на сайте, вы соглашаетесь на использование файлов куки и передачей данных службам веб-аналитики
Принять