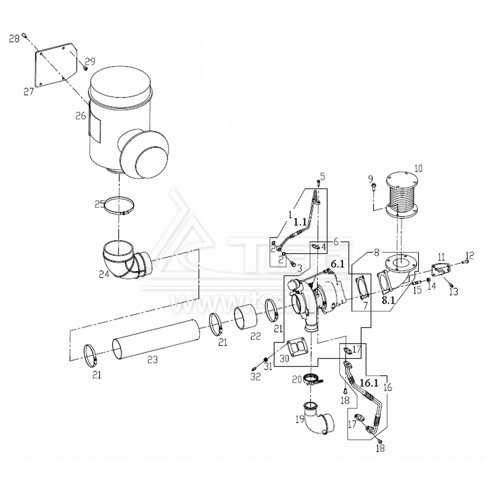
Воздушный фильтр и турбокомпрессор SDEC SC12E460D2

Воздушный фильтр и турбокомпрессор SDEC SC12E460D2

№ поз.

Номер

Description

Наименование

К-во

Примечание

 1.1

S00010497

OIL INLET PIPE ASSY (WELDED), TURBOCHARGER

Трубка подачи масла к турбокомпрессору

1

2

B00002194

WASHER

Шайба

2

3

B00002179

HINGE BOLT

Полый болт типа "банджо"

1

4

S00002148

GASKET, OIL INLET FLANGE-TURBOCHARGER

Прокладка трубки подачи масла к турбокомпрессору

1

5

B00002137

SIX ANGLE BOLT FLANGE

Болт с шестигранной головкой с фланцем

2

 6.1

S00012352

TURBOCHARGER ASSY

Турбокомпрессор в сборе

1

7

S00004747

GASKET, EXHAUST MANIFOLD

Прокладка выходного фланца турбокомпрессора

1

 8.1

S00012324

EXHAUST ELBOW

Патрубок выхлопной коленчатый

1

9

B00002050

SIX ANGLE BOLT FLANGE

Болт с шестигранной головкой с фланцем

4

10

D00-158-01

DEFAULT

Компенсатор сильфонный

1

11

S00012355

BRACKET, EXHAUST PIPE ELBOW

Кронштейн выхлопного коленчатого патрубка

1

12

B00002000

SIX ANGLE BOLT FLANGE

Болт с шестигранной головкой с фланцем

2

13

B00002134

SIX ANGLE BOLT FLANGE

Болт с шестигранной головкой с фланцем

2

14

C38AL-38AL802

DEFAULT

Гайка шестигранная

4

15

S00007325

STUD

Шпилька

4

 16.1

S00010498

OIL RETURN PIPE TURBOCHARGER

Трубка слива масла из турбокомпрессора

1

17

S00001805

TURBOCHARGER OIL RETURN TUBE GASKET

Прокладка трубки слива масла из турбокомпрессора

2

18

B00001996

SIX ANGLE BOLT FLANGE

Болт с шестигранной головкой с фланцем

4

19

S00008867

AIR OUTLET PIPE ADAPTER, COMPRESSOR

Патрубок выходной турбокомпрессора

1

20

D12B-001-900

CLAMP

Хомут

1

21

B00001556

CLAMP

Хомут

3

22

S00012442

COMPRESSOR INLET PIPE

Патрубок подачи турбокомпрессора

1

23

S00012441

AIR INLET PIPE, TURBOCHARGER

Рукав подачи турбокомпрессора

1

24

S00012307

AIR INLET PIPE ELBOW, AIR FILTER TO TURBOCHARGER

Патрубок выходной коленчатый воздушного фильтра

1

25

B00001562

CLAMP

Хомут

1

26

S00014472

AIR FILTER ASSY

Фильтр воздушный в сборе

1

27

S00014528

AIR FILTER BRACKET

Кронштейн воздушного фильтра

1

28

B00001999

SIX ANGLE BOLT FLANGE

Болт с шестигранной головкой с фланцем

4

29

B00001996

SIX ANGLE BOLT FLANGE

Болт с шестигранной головкой с фланцем

4

30

S00001858

GASKET, INLET-TURBINE

Прокладка входная турбокомпрессора

1

31

S00002025

TURBOCHARGER SELF-LOCKING NUT

Гайка турбокомпрессора самоконтрящаяся

4

32

S00001481

STUD

Шпилька

4

×

Оставить заявку

Защита от автоматических сообщений

Введите слово на картинке *

Заявка на ремонт оборудования

выбрать файл файл не выбран
выбрать файл файл не выбран
выбрать файл файл не выбран
Оставаясь на сайте, вы соглашаетесь на использование файлов куки и передачей данных службам веб-аналитики
Принять