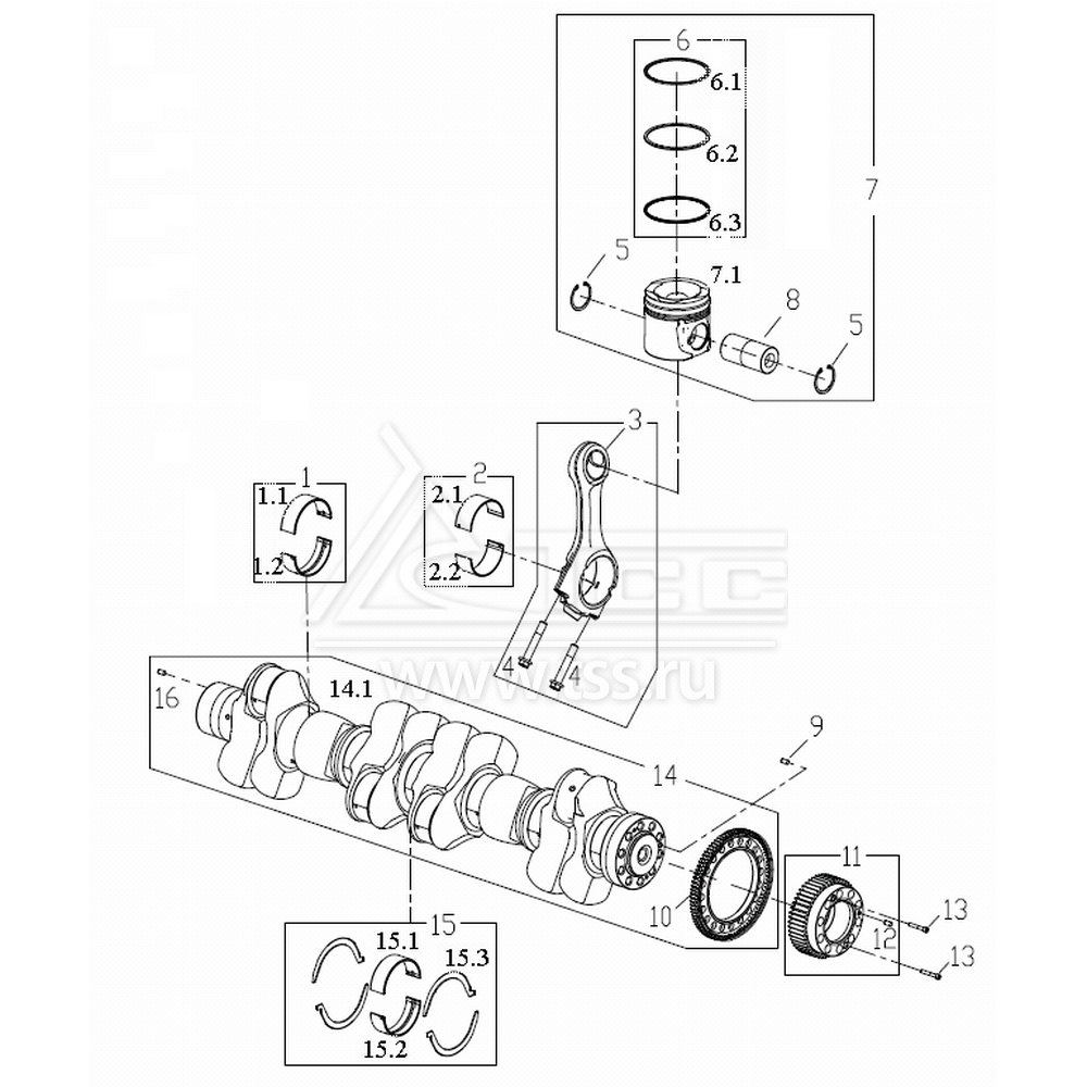
Поршни, шатуны и коленчатый вал SDEC SC12E460D2

Поршни, шатуны и коленчатый вал SDEC SC12E460D2

№ поз.

Номер

Description

Наименование

К-во

Примечание

1

MAIN BEARING ASSY

Комплект вкладышей коренного подшипника

6

Вкл.поз. 1.1-1.2. По запросу с указанием серийного номера двигателя

 1.1

S00001642

MAIN BEARING, UPPER

Вкладыш коренного подшипника верхний

6

 1.2

S00002198

MAIN BEARING, LOWER

Вкладыш коренного подшипника нижний

6

2

BEARING,CONNECTING ROD

Комплект вкладышей шатунного подшипника

6

По запросу с указанием серийного номера двигателя

 2.1

S00001581

UPPER BEARING, CONNECTING ROD

Вкладыш шатунного подшипника верхний

6

Вкл.поз. 2.1-2.2

 2.2

S00002462

LOWER BEARING, CONNECTING ROD

Вкладыш шатунного подшипника нижний

6

3

S00002071

CONNECTING ROD ASSY (MACHINED)

Шатун в сборе мехобработанный

6

Вкл.поз. 3-4

4

S00001501

BOLT,CONNECTING ROD

Болт крышки шатунного подшипника

12

5

S00004036

PISTON PIN RETAINER

Кольцо стопорное

12

 6.1

S00002021

TOP PISTON RING

 Кольцо поршневое 1 компрессионное

6

 6.2

S00001957

MID PISTON RING

Кольцо поршневое 2 компрессионное

6

 6.3

S00001739

PISTON OIL CONTROL RING ASSY

Кольцо поршневое маслосъемное

6

7

PISTON  GROUP

Поршень в сборе

6

Вкл.поз. 5-7.1, 8. По запросу с указанием серийного номера двигателя

 7.1

S00002539

PISTON

Поршень

6

8

S00001828

PIN, PISTON

Палец поршневой

6

9

B00000128

DOWEL PIN

Штифт направляющий

1

10

S00002649

GEAR, OIL PUMP

Шестерня привода масляного насоса

1

11

S00001532

GEAR, CRANKSHAFT

Шестерня коленчатого вала

1

Вкл.поз. 11-12

12

B00000128

DOWEL PIN

Штифт направляющий

1

13

B00000911

HEXAGON SOCKET HEAD CAP SCREW

Винт с внутренним шестигранником

2

14

S00001843

CRANKSHAFT ASSY

Вал коленчатый в сборе

1

15

THRUST PLATE

Комплект упорного подшипника коленчатого вала

1

Вкл.поз. 15.1-15.3.  По запросу с указанием серийного номера двигателя

 15.1

S00001642

MAIN BEARING, UPPER

Вкладыш упорного подшипника коленчатого вала верхний

1

 15.2

S00002198

MAIN BEARING, LOWER

Вкладыш упорного подшипника коленчатого вала нижний

1

 15.3

S00002461

CRANKSHAFT THRUST BEARING

Пластина упорного подшипника коленчатого вала

4

16

B00000128

DOWEL PIN

Штифт направляющий

1

×

Оставить заявку

Защита от автоматических сообщений

Введите слово на картинке *

Заявка на ремонт оборудования

выбрать файл файл не выбран
выбрать файл файл не выбран
выбрать файл файл не выбран
Оставаясь на сайте, вы соглашаетесь на использование файлов куки и передачей данных службам веб-аналитики
Принять