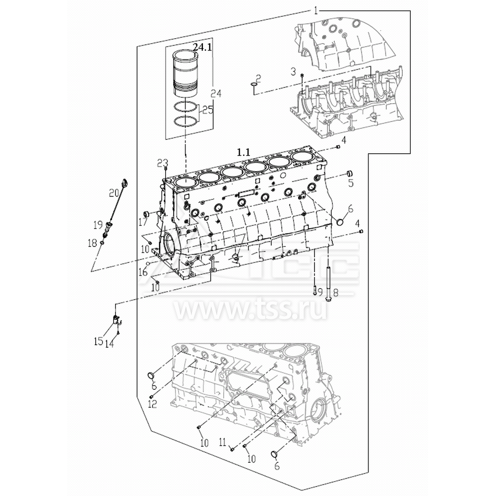
Блок цилиндров SDEC SC12E460D2

Блок цилиндров SDEC SC12E460D2

№ поз.

Номер

Description

Наименование

К-во

Примечание

1

CYLINDER BLOCK GROUP

Блок цилиндров в сборе

1

По запросу с указанием серийного номера двигателя

 1.1

S00006202

CYLINDER BLOCK ASSY (MACHINED)

Блок цилиндров

1

2

S00002080

O-RING

Кольцо уплотнительное круглого сечения

1

3

S00006121

DOWEL, PIN

Штифт направляющий

3

4

s00002092

DOWEL PIN

Штифт направляющий

2

5

B00004575

PLUG

Заглушка

1

6

B00004577

PLUG

Заглушка

11

8

S00002319

BOLT, MAIN BEARING

Болт крышки коренного подшипника коленчатого вала

14

9

B00002011

SIX ANGLE BOLT FLANGE

Болт с шестигранной головкой с фланцем

24

10

S00001515

DOWEL SLEEVE

Втулка направляющая

6

11

B00004647

PLUG SCREW

Заглушка резьбовая

1

12

B00004646

PLUG SCREW

Заглушка резьбовая

1

14

B00000896

HEXAGON SOCKET HEAD CAP SCREW

Винт с внутренним шестигранником

1

15

S00002307

ORIFICE ASSY, PISTON COOLING JET

Форсунка охлаждения поршня в сборе

1

16

B00004383

STEEL BALL

Шарик стальной

1

17

B00004574

PLUG SCREW

Пробка резьбовая

1

18

B00001830

COPPER WASHER

Шайба медная

1

19

S00001615

TUBE, OIL  DIPSTICK

Трубка щупа масла

1

20

S00002306

OIL DIPSTICK

Щуп масла

1

23

D02A-312-01

DOWEL SLEEVE

Втулка направляющая

2

 24.1

S00002335

CYLINDER LINER

Гильза цилиндра

1

25

S00002431

CYLINDER LINER O-RING

Кольцо уплотнительное круглого сечения гильзы цилиндра

2

×

Оставить заявку

Защита от автоматических сообщений

Введите слово на картинке *

Заявка на ремонт оборудования

выбрать файл файл не выбран
выбрать файл файл не выбран
выбрать файл файл не выбран
Оставаясь на сайте, вы соглашаетесь на использование файлов куки и передачей данных службам веб-аналитики
Принять