Насос водяной Ricardo 6126A-260D

Насос водяной Ricardo 6126A-260D

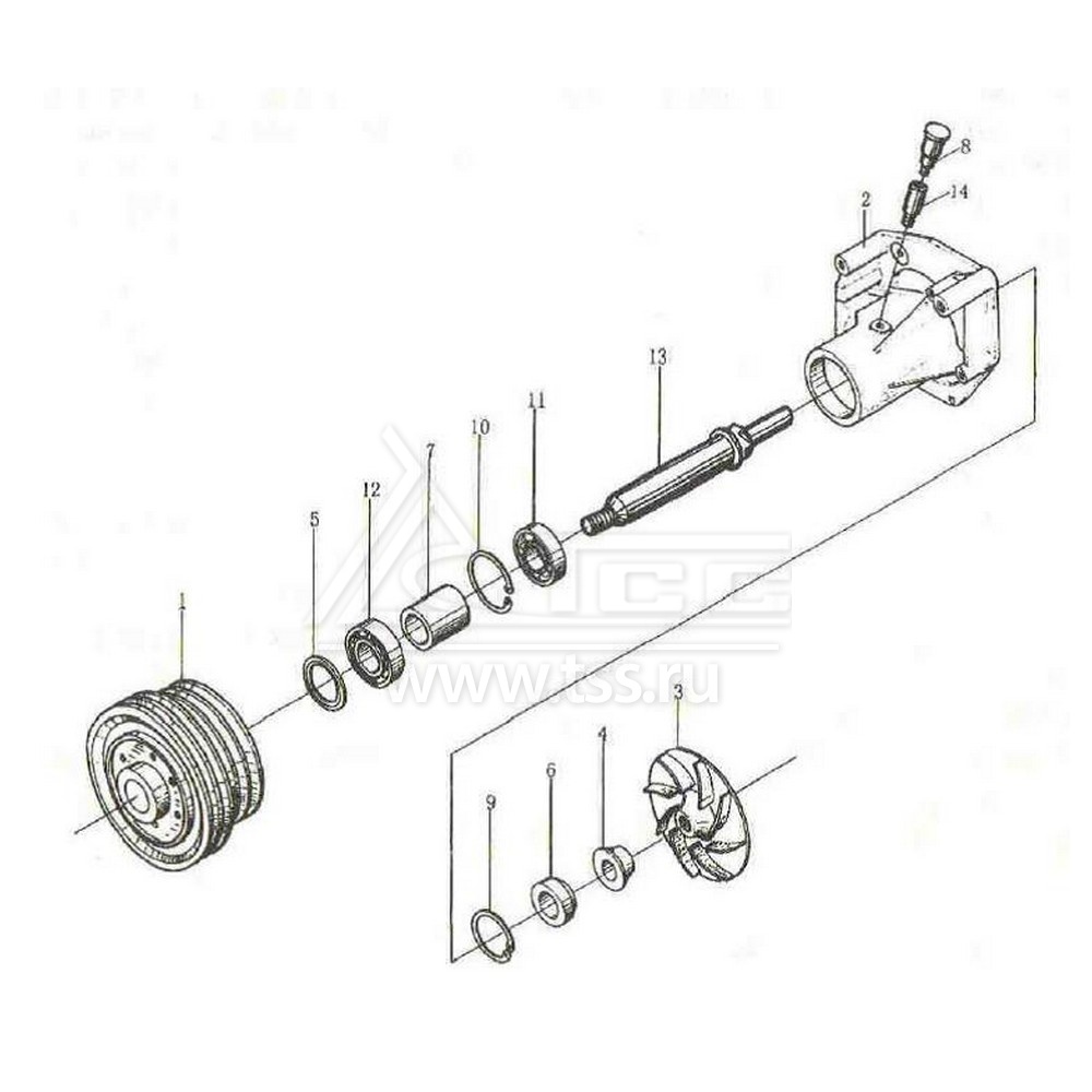
№ поз.

Номер

Description

Наименование

К-во

Примечание

1

615 00 06 0124

Belt pulley

Шкив насоса водяного

1

 

2

615 00 06 0234

Housing

Корпус насоса водяного

1

 

3

615 60 06 0249

Bottom roller

Колесо рабочее насоса водяного

1

 

4

614 06 06

Ring

Кольцо уплотнительное

1

 

6

612 00 06 2034

Joint

Втулка

1

 

7

615 00 06 0251

Pipe (spacer)

Втулка проставочная

1

 

10

900 03 93 4311

Circlip

Кольцо стопорное

1

11

900 03 31 1179

Ball bearing

Шарикоподшипник

1

 

12

900 03 32 0110

Ball bearing

Шарикоподшипник

1

 

13

615 00 06 0248

Shaft

Вал насоса водяного

1

 

14

610 00 06 0100

Oil grease seal

Прокладка масленки

1

 

615 00 06 0229

Water pump assy/ (2-Vee pulley)

Насос водяной  в сборе (2-ручьевой шкив)

1

 

 

612 60 00 60389

Water pump assy. (multi-V pulley)

Насос водяной в сборе (поликлиновый шкив)

 

 

615 00 09 0001

V belt

Ремень приводной клиновидный (комплект 2 шт)

1

Ремень привода водяного насоса/вентилятора

 

612 60 00 20283

Multy-V belt

Ремень приводной поликлиновый

 

 

×

Оставить заявку

Защита от автоматических сообщений

Введите слово на картинке *

Заявка на ремонт оборудования

выбрать файл файл не выбран
выбрать файл файл не выбран
выбрать файл файл не выбран
Оставаясь на сайте, вы соглашаетесь на использование файлов куки и передачей данных службам веб-аналитики
Принять