Компания энергобаза
Ремонт и обслуживание оборудования от крупного
производителя ДГУ в России
|
|
№ поз. |
Номер |
Description |
Наименование |
К-во |
Примечание |
|||
|
|
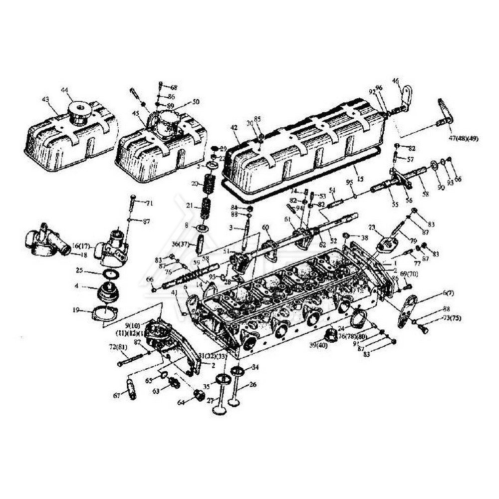
495-03001 |
Rear cover, cylinder head |
Крышка головки блока цилиндров задняя |
1 |
|
||||
|
|
495-03002 |
Gasket, front/rear cylinder head cover |
Прокладка передней/задней крышки головки блока цилиндров |
2 |
|
||||
|
|
495-03003 |
Stud |
Шпилька |
4 |
|
||||
|
|
495-03004 (A) |
Thermostat |
Термостат |
1 |
|
||||
|
|
495-03005 |
Seat, valve spring |
Тарелка пружины клапана верхняя |
8 |
|
||||
|
|
495-03006 W |
Lifting bracket |
Рым подъема двигателя |
2 |
|
||||
|
|
495-03007 |
Lower seat, valve spring |
Тарелка пружины клапана нижняя |
8 |
|
||||
|
|
495-03008 |
Front cover (thermostat seat), cylinder head |
Седло термостата-крышка головки блока цилиндров передняя |
1 |
|
||||
|
|
495-030009 |
Gasket, exhaust manifold |
Прокладка выпускного коллектора |
4 |
|
||||
|
|
495-03010 (A) |
Gasket, cylinder head cover |
Прокладка верхней крышки головки блока цилиндров |
1 |
|
||||
|
|
495-03011 |
Thermostat housing |
Корпус термостата |
1 |
|
||||
|
|
495-03012 |
Gasket, thermostat |
Прокладка термостата |
1 |
|
||||
|
|
495-03013 |
Valve spring, outer |
Пружина клапана внешняя |
8 |
|
||||
|
|
495-03014 |
Valve spring, inner |
Пружина клапана внутренняя |
8 |
|
||||
|
|
495-03015 (b) |
Half collet, valve |
Сухарь клапана |
16 |
|
||||
|
|
495-03016 |
Injector clamp |
Скоба крепления форсунки |
4 |
|
||||
|
|
495-03017 |
Gasket, intake manifold |
Прокладка впускного коллектора |
4 |
|
||||
|
|
495-03018 |
Seal ring |
Кольцо уплотнительное термостата |
1 |
|
||||
|
|
495-03019 (b) |
Exhaust valve |
Клапан выпускной |
4 |
|
||||
|
|
495-03020 (b) |
Intake valve |
Клапан впускной |
4 |
|
||||
|
|
495-03021 W |
Gasket, valve rocker arm shaft bracket |
Прокладка стойки оси коромысел клапанов |
4 |
|
||||
|
|
495-03022 W |
Oil baffle |
Компенсатор масляный |
8 |
|
||||
|
|
495-03023 |
Washer |
Шайба |
4 |
|
||||
|
|
495-03101 (b) |
Cylinder head |
Головка блока цилиндров |
1 |
|
||||
|
|
495-03102 (b) |
Valve seat insert, exhaust |
Седло выпускного клапана |
4 |
|
||||
|
|
495-03014 (b) |
Valve seat insert, intake |
Седло впускного клапана |
4 |
|
||||
|
|
495-03105 W |
Valve guide |
Втулка направляющая клапана |
8 |
|
||||
|
|
495-03106 |
Заглушка |
Пробка |
7 |
|
||||
|
|
495-03111 |
Hot plug, combustion chamber |
Пробка предохранительная от перегрева |
4 |
|
||||
|
|
495-01103 W |
Заглушка |
Пробка |
1 |
|
||||
|
|
495-03210 (A) W |
Cylinder head cover subassy. |
Крышка головки блока цилиндров верхняя |
1 |
|
||||
|
|
495-03305 |
Bracket I, valve rocker arm shaft |
Стойка передняя оси коромысел клапанов |
1 |
|
||||
|
|
495-03302 W |
Shaft, compression release |
Вал декомпрессии |
1 |
|
||||
|
|
495-03303 |
Screw, compression release |
Винт вала декомпрессии |
4 |
|
||||
|
|
495-03304 |
Connecting shaft |
Вал соединительный |
1 |
|
||||
|
|
495-03305-1 W |
Bushing, valve rocker |
Втулка коромысла клапана |
8 |
|
||||
|
|
495-03305-2 W |
Valve rocker |
Коромысло клапана |
8 |
|
||||
|
|
495-03306 (B) W |
Adjusting screw, valve rocker |
Винт регулировочный коромысла клапана |
8 |
|
||||
|
|
495-03307 W |
Valve rocker shaft |
Ось коромысел клапанов |
2 |
|
||||
|
|
495-03308 |
Spring, valve rocker shaft |
Пружина оси коромысел клапанов |
2 |
|
||||
|
|
495-03304 |
Bracket II, valve rocker arm shaft |
Стойка средняя оси коромысел клапанов |
2 |
|
||||
|
|
495-03302 |
Bracket III, valve rocker arm shaft |
Стойка задняя оси коромысел клапанов |
1 |
|
||||
|
|
495-03311 |
Spring, compression release |
Пружина вала декомпрессии |
1 |
|
||||
|
|
495-01402 (A) |
Adapter, temperature gauge |
Штуцер датчика температуры охлаждающей жидкости |
1 |
|
||||
|
|
495-01403 |
Washer |
Шайба |
1 |
|
||||
|
|
495-01113 |
Plug |
Заглушка |
2 |
|
||||
|
|
GB5783 |
Hexagon head bolt |
Болт с шестигранной головкой |
12 |
|
||||
|
|
GB5783 |
Hexagon head bolt |
Болт с шестигранной головкой |
2 |
|
||||
|
|
GB5783 |
Hexagon head bolt |
Болт с шестигранной головкой |
2 |
|
||||
|
|
GB5783 |
Hexagon head bolt |
Болт с шестигранной головкой |
4 |
|
||||
|
74 |
Slotted set screw |
Винт со шлицем |
2 |
|
|||||
|
76 |
Stud |
Шпилька |
16 |
|
|||||
|
79 |
Stud |
Шпилька |
8 |
|
|||||
|
82 |
Hexagon nut |
Гайка шестигранная |
14 |
|
|||||
|
83 |
Hexagon nut |
Гайка шестигранная |
24 |
|
|||||
|
84 |
Hexagon nut |
Гайка шестигранная |
4 |
|
|||||
|
85 |
Acorn nut |
Гайка колпачковая |
4 |
|
|||||
|
86 |
Spring washer |
Шайба пружинная |
4 |
|
|||||
|
87 |
Spring washer |
Шайба пружинная |
28 |
|
|||||
|
88 |
Spring washer |
Шайба пружинная |
8 |
|
|||||
|
89 |
Plain washer |
Шайба плоская |
4 |
|
|||||
|
90 |
Plain washer |
Шайба плоская |
4 |
|
|||||
|
91 |
Plain washer |
Шайба плоская |
8 |
|
|||||
|
92 |
Circlip for shaft |
Кольцо стопорное для вала |
1 |
|
|||||
|
93 |
Circlip for shaft |
Кольцо стопорное для вала |
6 |
|
|||||
|
94 |
Parallel pin |
Штифт установочный |
1 |
|
|||||
|
95 |
O-ring |
Кольцо уплотнительное круглого сечения |
2 |
|
|||||
|
96 |
O-ring |
Кольцо уплотнительное круглого сечения |
1 |
|
|||||
|
|
Valve oil seal |
Колпачок маслосъемный клапана |
8 |
|
|||||
|
|
Valve rocker assy. |
Ось коромысел клапанов в сборе |
1 |
|
|||||
Оставить заявку
Заявка на ремонт оборудования