Компания энергобаза
Ремонт и обслуживание оборудования от крупного
производителя ДГУ в России

|
№ поз. |
Номер |
Description |
Наименование |
К-во |
Примечание |
|||
|
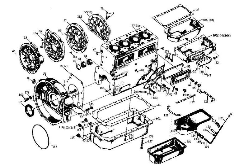
1 |
Stud, cylinder head |
Шпилька головки блока цилиндров |
14 |
|
||||
|
3 |
Nut, cylinder head |
Гайка головки блока цилиндров |
18 |
|
||||
|
4 |
Stud, cylinder head |
Шпилька головки блока цилиндров |
4 |
|
||||
|
6 |
Gasket, cylinder head |
Прокладка головки блока цилиндров |
1 |
|
||||
|
7 |
Cylinder liner |
Гильза блока цилиндра |
4 |
|
||||
|
8 |
Middle upper main bearing |
Вкладыш среднего коренного подшипника коленчатого вала верхний |
3 |
|
||||
|
9 |
Middle lower main bearing |
Вкладыш среднего коренного подшипника коленчатого вала нижний |
3 |
|
||||
|
10 |
Front/rear upper main bearing |
Вкладыш переднего/заднего коренного подшипника коленчатого вала верхний |
2 |
|
||||
|
11 |
Front/rear lower main bearing |
Вкладыш переднего/заднего коренного подшипника коленчатого вала нижний |
2 |
|
||||
|
12 |
Thrust ring, crankshaft |
Полукольцо упорное коленчатого вала |
2 |
|
||||
|
14 |
Gasket, oil sump |
Прокладка масляного поддона |
1 |
|
||||
|
16 |
Gasket, flywheel housing |
Прокладка корпуса маховика |
1 |
|
||||
|
18 |
Gasket, gear cover case |
Прокладка крышки корпуса шестерен |
1 |
|
||||
|
20 |
Gear case |
Корпус шестерен |
1 |
|
||||
|
22 |
Gasket, gear case |
Прокладка корпуса шестерен |
1 |
|
||||
|
23 |
Gear cover case |
Крышка корпуса шестерен |
1 |
|
||||
|
27 |
Gasket, oil filler |
Прокладка маслозаливной горловины |
1 |
|
||||
|
28 |
Gasket, oil filter bracket |
Прокладка кронштейна масляного фильтра |
1 |
|
||||
|
31 |
Washer |
Шайба |
2 |
|
||||
|
32 |
Upper side cover |
Крышка верхняя боковая |
2 |
|
||||
|
33 |
Gasket, upper side cover |
Прокладка верхней боковой крышки |
2 |
|
||||
|
34 |
Bracket, generator |
Кронштейн зарядного генератора |
1 |
|
||||
|
35 |
Adjusting plate, generator |
Пластина регулировочная зарядного генератора |
1 |
|
||||
|
40 |
Gasket, water pump bracket |
Прокладка опорной пластины водяного насоса |
1 |
|
||||
|
42 |
Washer |
Шайба |
2 |
|
||||
|
43 |
Nipple |
Штуцер |
1 |
|
||||
|
46 |
Seal, cylinder liner |
Кольцо уплотнительное гильзы блока цилиндров |
8 |
|
||||
|
47 |
Drain cock |
Кран сливной |
1 |
|
||||
|
48 |
Banjo connecting bolt |
Полый болт углового соединения |
1 |
|
||||
|
49 |
Name plate |
Табличка |
1 |
|
||||
|
50 |
Washer |
Шайба |
1 |
|
||||
|
51 |
Flywheel housing |
Корпус маховика |
1 |
|
||||
|
57 |
Cover |
Крышка корпуса маховика нижняя |
1 |
|
||||
|
58 |
Inspection window cover |
Крышка смотрового окна картера маховика |
1 |
|
||||
|
59 |
Plug |
Пробка |
1 |
|
||||
|
62 |
Spacer |
Втулка |
1 |
|
||||
|
63 |
Position stud |
Шпилька установочная |
2 |
|
||||
|
64 |
Stud |
Шпилька |
4 |
|
||||
|
65 |
Washer |
Шайба |
4 |
|
||||
|
77 |
Cylinder block |
Блок цилиндров |
1 |
|
||||
|
80 |
Plug |
Пробка |
2 |
|
||||
|
81 |
Plug |
Пробка |
8 |
|
||||
|
82 |
Plug |
Пробка |
1 |
|
||||
|
83 |
Front bushing, camshaft |
Втулка распределительного вала передняя |
1 |
|
||||
|
84 |
Middle/rear bushing, camshaft |
Втулка распределительного вала средняя/задняя |
2 |
|
||||
|
85 |
Front main bearing cap |
Крышка переднего коренного подшипника коленчатого вала |
1 |
|
||||
|
86 |
Middle main bearing cap |
Крышка среднего коренного подшипника коленчатого вала |
3 |
|
||||
|
87 |
Rear main bearing cap |
Крышка заднего коренного подшипника коленчатого вала |
1 |
|
||||
|
88 |
Main bearing nut |
Гайка крышки коренного подшипника коленчатого вала |
10 |
|
||||
|
89 |
Main bearing stud |
Шпилька крышки коренного подшипника коленчатого вала |
10 |
|
||||
|
90 |
Dowel ring, main bearing |
Втулка направляющая крышки коренного подшипника коленчатого вала |
10 |
|
||||
|
91 |
Plug |
Заглушка |
2 |
|
||||
|
92 |
Plug |
Заглушка |
1 |
|
||||
|
93 |
Lock plate |
Пластина контровочная |
10 |
|
||||
|
94 |
Shaft, idling gear |
Вал промежуточной шестерни |
1 |
|
||||
|
95 |
Washer, idling gear |
Шайба упорная промежуточной шестерни |
1 |
|
||||
|
96 |
Idling gear |
Шестерня промежуточная |
1 |
|
||||
|
97 |
Bushing, idling gear |
Втулка промежуточной шестерни |
1 |
|
||||
|
98 |
Cover |
Крышка нижней боковой крышки |
1 |
|
||||
|
99 |
Tube for dipstick |
Трубка щупа масла |
1 |
|
||||
|
100 |
Dipstick subassy. |
Щуп масла в сборе |
1 |
|
||||
|
103 |
Oil sump |
Поддон масляный |
1 |
|
||||
|
111 |
Adapter, oil temperature gauge |
Штуцер датчика температуры масла |
1 |
|
||||
|
115 |
Washer |
Шайба уплотнительная |
2 |
|
||||
|
116 |
Drain plug |
Пробка сливная |
1 |
|
||||
|
129 |
Elbow, oil filling |
Горловина маслозаливная |
1 |
|
||||
|
130 |
Screen casing, breather |
Корпус сетчатого фильтра системы вентиляции |
1 |
|
||||
|
131 |
Cover, breather |
Крышка фильтра системы вентиляции |
1 |
|
||||
|
132 |
Gasket, screen casing |
Прокладка крышки блока вентиляции |
1 |
|
||||
|
133 |
Baffle and screen |
Перегородка отражающая |
1 |
|
||||
|
134 |
Screen |
Сетчатый фильтр блока вентиляции |
1 |
|
||||
|
144 |
Hexagon head bolt |
Болт с шестигранной головкой |
4 |
|
||||
|
145 |
Hexagon head bolt |
Болт с шестигранной головкой |
31 |
|
||||
|
146 |
Hexagon head bolt |
Болт с шестигранной головкой |
9 |
|
||||
|
147 |
Hexagon head bolt |
Болт с шестигранной головкой |
2 |
|
||||
|
148 |
Hexagon head bolt |
Болт с шестигранной головкой |
2 |
|
||||
|
149 |
Hexagon head bolt |
Болт с шестигранной головкой |
8 |
|
||||
|
150 |
Hexagon head bolt |
Болт с шестигранной головкой |
1 |
|
||||
|
151 |
Hexagon head bolt |
Болт с шестигранной головкой |
4 |
|
||||
|
153 |
Hexagon head bolt |
Болт с шестигранной головкой |
1 |
|
||||
|
154 |
Hexagon head bolt |
Болт с шестигранной головкой |
1 |
|
||||
|
155 |
Hexagon head bolt |
Болт с шестигранной головкой |
1 |
|
||||
|
156 |
Hexagon head bolt |
Болт с шестигранной головкой |
4 |
|
||||
|
157 |
Hexagon head bolt |
Болт с шестигранной головкой |
2 |
|
||||
|
158 |
Hexagon head bolt |
Болт с шестигранной головкой |
2 |
|
||||
|
159 |
Hexagon head bolt |
Болт с шестигранной головкой |
4 |
|
||||
|
161 |
Hexagon head bolt |
Болт с шестигранной головкой |
1 |
|
||||
|
162 |
Hexagon head bolt |
Болт с шестигранной головкой |
2 |
|
||||
|
163 |
Hexagon head bolt |
Болт с шестигранной головкой |
8 |
|
||||
|
165 |
Stud |
Шпилька |
3 |
|
||||
|
168 |
Stud |
Шпилька |
1 |
|
||||
|
170 |
Stud |
Шпилька |
6 |
|
||||
|
171 |
Hexagon nut |
Гайка шестигранная |
4 |
|
||||
|
172 |
Hexagon nut |
Гайка шестигранная |
9 |
|
||||
|
173 |
Acorn nut |
Гайка колпачковая |
4 |
|
||||
|
174 |
Spring washer |
Шайба пружинная |
69 |
|
||||
|
175 |
Spring washer |
Шайба пружинная |
15 |
|
||||
|
176 |
Spring washer |
Шайба пружинная |
10 |
|
||||
|
178 |
Plain washer |
Шайба плоская |
12 |
|
||||
|
179 |
Plain washer |
Шайба плоская |
18 |
|
||||
|
183 |
Rivet for name plate |
Заклёпка таблички |
4 |
|
||||
|
184 |
Parallel pin |
Штифт направляющий |
2 |
|
||||
|
185 |
Parallel pin |
Штифт направляющий |
4 |
|
||||
|
188 |
O-ring |
Кольцо уплотнительное круглого сечения |
1 |
|
||||
Оставить заявку
Заявка на ремонт оборудования